Запчасти Case IH FARMALL 110C (21.120.AB[04]) - GEARBOX, HOUSING (21) - TRANSMISSION

Схема запчастей Case IH FARMALL 110C - (21.120.AB[04]) - GEARBOX, HOUSING (21) - TRANSMISSION
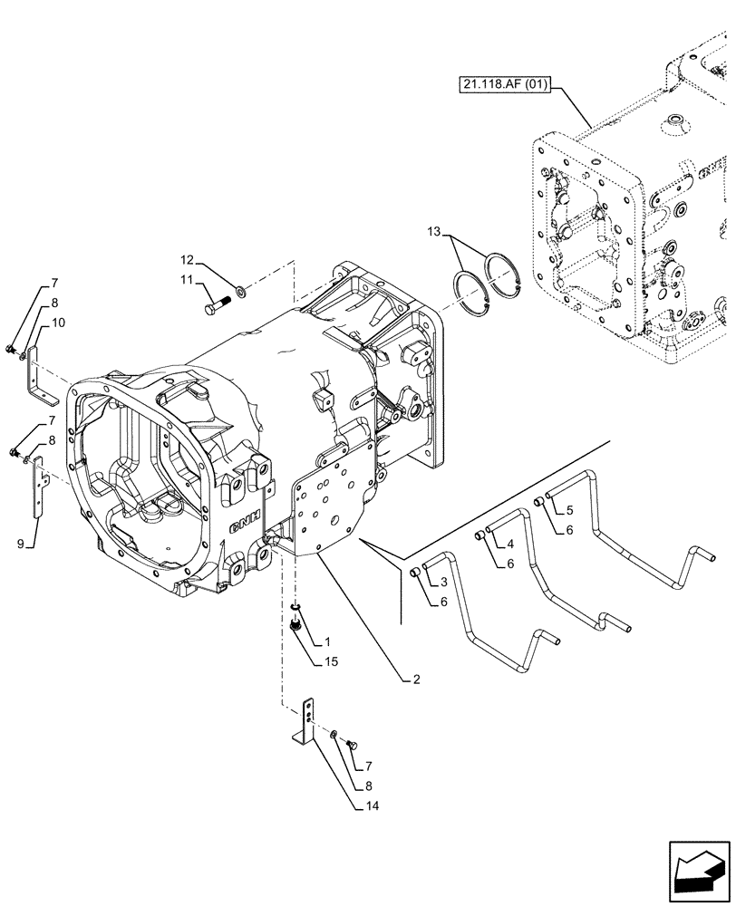
21.118.af (01)
12
3
6
5
9
10
7
8
11
4
6
15
1
14
6
8
7
8
13
7
2
FIT
1:1
100%

Артикул

Название

Примечание

Количество

1

14437885

O-RING,13.30mm ID x 2.40mm

1шт.

2

47599083

GEARBOX

1шт.

3

84339696

PIPE

Power Shuttle FWD

1шт.

4

84339697

PIPE

Power Shuttle

1шт.

5

84339698

PIPE

Power Shuttle REV

1шт.

6

5178778

SPACER,11mm ID x 15mm OD x 15mm L

3шт.

7

16043224

BOLT,Hex, M8 x 16mm, Cl 8.8

4шт.

8

11193874

BELLEVILLE WASHER,M8 Bolt Size x 16mm OD x 1.4mm Thk

4шт.

9

84385030

PLATE

1шт.

10

84413272

BRACKET

1шт.

11

15540834

BOLT,Hex, M12 x 1.25 x 50mm, Cl 10.9

Hex, M12 x 1.25 x 50mm, Cl 10.9

10шт.

12

11198674

BELLEVILLE WASHER,M12 Bolt Size x 24mm OD x 3.2mm Thk

Belleville, M13

10шт.

13

11062676

SNAP RING,M95, Int

2шт.

14

84384970

BRACKET

1шт.

15

10119340

PLUG,M16 x 1.5 x 15, Brass

1шт.

Выбрано товаров: 15