Запчасти Case IH FARMALL 110C (21.134.AM[06]) - VAR - 340101, 340102, 340103 - TRANSMISSION CONTROL VALVE, POWERSHUTTLE, LINE (21) - TRANSMISSION

Схема запчастей Case IH FARMALL 110C - (21.134.AM[06]) - VAR - 340101, 340102, 340103 - TRANSMISSION CONTROL VALVE, POWERSHUTTLE, LINE (21) - TRANSMISSION
21.134.am (05)
6
5
1
4
8
7
7
2
3
6
12
11
10
14
8
15
13
9
21.118.af (01)
31.114.ah (01)
27.120.ai (01)
FIT
1:1
100%

Артикул

Название

Примечание

Количество

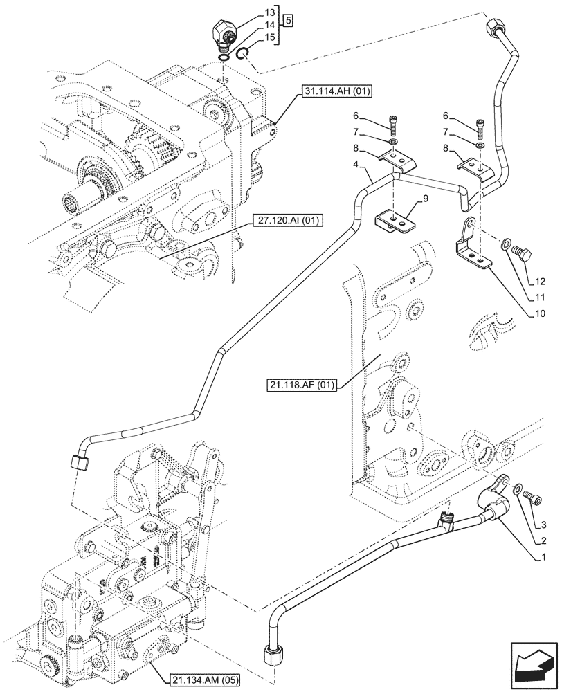
1

84396490

PIPE

1шт.

2

14496531

WASHER,8.4mm ID x 17mm OD x 1.6mm Thk

1шт.

3

14306324

HEX SOC SCREW,M8 x 1.25 x 20mm, Cl 8.8, Full Thd

1шт.

4

47569993

PIPE

1шт.

5

5188442

HYD CONNECTOR,11/16-16 ORFS x M14 x 1.5 ORB

ASSY, Incl 14 - 16

1шт.

6

9832203

HEX SOC SCREW,M6 x 25mm, Cl 8.8, Full Thd

4шт.

7

10519404

WASHER,6.4mm ID x 11.95mm OD x 1.6mm Thk

4шт.

8

84418577

BRACKET

2шт.

9

84401545

BRACKET

1шт.

10

47577314

BRACKET

1шт.

11

15970524

BOLT,Hex, M10 x 1.25 x 20mm, Cl 8.8, Full Thd

1шт.

12

12638621

WASHER,M10 x 18 x 2

1шт.

13

NSS

NOT SOLD SEPARAT

Elbow, Incl in 5

1шт.

14

14437785

O-RING,11.3mm ID x 2.4mm

1шт.

15

5185510

O-RING,1.78mm Thk x 9.25mm ID, 85 Duro

1шт.

Выбрано товаров: 0