Запчасти Case IH FARMALL 110C (21.154.AA[01]) - VAR - 330276, 334176 - TRANSMISSION, POWERSHUTTLE, CLUTCH HOUSING, CLUTCH DISC (12X12) (12X12 CREEPER) (21) - TRANSMISSION

Схема запчастей Case IH FARMALL 110C - (21.154.AA[01]) - VAR - 330276, 334176 - TRANSMISSION, POWERSHUTTLE, CLUTCH HOUSING, CLUTCH DISC (12X12) (12X12 CREEPER) (21) - TRANSMISSION
5
7
3
9
14
17
16
21.154.aa (03)
15
2
11
4
12
4
1
13
8
21.154.aa (02)
6
10
FIT
1:1
100%

Артикул

Название

Примечание

Количество

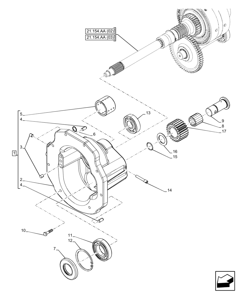
1

84582444

COVER

ASSY, Incl 2 - 5

1шт.

2

NSS

NOT SOLD SEPARAT

Gearbox, Incl in 1

1шт.

3

14536590

PLUG,10.00mm Dia x 19.80mm L

9шт.

4

4988170

PIN,10mm OD x 20mm L

2шт.

5

84580390

BUSHING,50mm ID x 62mm OD x 45.8mm L

1шт.

6

14457280

O-RING,0.103" Thk x 0.612" ID, -114, Cl 5, 75 Duro

3шт.

7

87610910

OIL SEAL,45mm ID x 85mm OD x 10mm Thk

45 x 85 x 10mm

1шт.

8

84340290

NEEDLE BEARING,32mm ID x 40mm OD x 36mm L

34 x 40 x 36mm

1шт.

9

47363901

CLEVIS PIN,32mm x 87mm

1шт.

10

16043930

BOLT,M8 x 35mm, Cl 10.9, Full Thd

8шт.

11

20972850

BALL BEARING,45 mm ID x 85 mm OD x 19 mm

1шт.

12

800-2185

SNAP RING,M85 x 3, Int

1шт.

13

274199

BALL BEARING,30mm ID x 72mm OD x 19mm W

1шт.

14

84337006

PIN,7.9mm OD x 57mm L

1шт.

15

14457980

O-RING,0.103" Thk x 1.049" ID, -121, Cl 5, 75 Duro

1шт.

16

84336987

WASHER,32mm ID x 50mm OD x 3mm Thk

1шт.

17

47363899

GEAR,25T

Idler Drive 2ST

1шт.

Выбрано товаров: 17