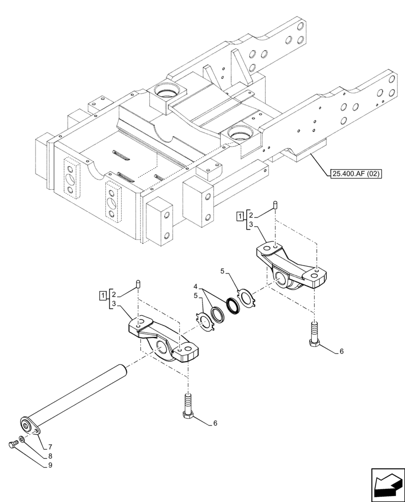
Запчасти Case IH FARMALL 110C (25.400.AL[02]) - VAR - 334218 - 2WD FRONT AXLE, SUPPORT, BRACKET (25) - FRONT AXLE SYSTEM

Схема запчастей Case IH FARMALL 110C - (25.400.AL[02]) - VAR - 334218 - 2WD FRONT AXLE, SUPPORT, BRACKET (25) - FRONT AXLE SYSTEM
6
5
1
7
6
8
2
4
3
2
1
9
5
3
25.400.af (02)
FIT
1:1
100%

Артикул

Название

Примечание

Количество

1

84370522

SUPPORT

ASSY, Incl 2 (Qty 2), 3 (Qty 1)

2шт.

2

10837710

DOWEL,M10 x 25

4шт.

3

NSS

NOT SOLD SEPARAT

Front Axle Hinge, Incl in 1

2шт.

4

82833544

SEAL,36.4mm ID x 50.9mm OD x 6mm Thk

2шт.

5

82833511

THRUST WASHER,38mm ID x 60mm OD x 2mm Thk

2шт.

6

14272034

LOCK BOLT,Hex, M18 x 1.5 x 65mm, Cl 10.9

4шт.

7

5110400

PIVOT PIN,400mm L

1шт.

8

11190574

BELLEVILLE WASHER,M10 Bolt Size x 20mm OD x 2.3mm Thk

1шт.

9

15970524

BOLT,Hex, M10 x 1.25 x 20mm, Cl 8.8, Full Thd

1шт.

Выбрано товаров: 9