Запчасти Case IH FARMALL 110C (33.202.AR[02]) - BRAKE, MASTER CYLINDER (33) - BRAKES & CONTROLS

Схема запчастей Case IH FARMALL 110C - (33.202.AR[02]) - BRAKE, MASTER CYLINDER (33) - BRAKES & CONTROLS
33.202.ap (01)
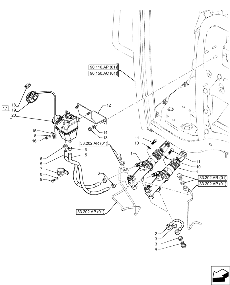
17
20
6
8
90.150.ac (01)
3
11
90.110.ap (01)
33.202.ar (01)
12
5
18
13
6
15
1
4
1
6
5
3
8
16
14
2
7
10
33.202.ap (01)
19
11
33.202.ar (01)
9
10
FIT
1:1
100%

Артикул

Название

Примечание

Количество

1

84598470

MASTER CYLINDER,32.4mm Stroke

2шт.

2

5155701

TUBE

1шт.

3

5183780

SEALING WASHER,9.73mm ID x 18mm OD x 1.5mm Thk

4шт.

4

5155703

BANJO BOLT,M12 x 1.25 x 22mm

2шт.

5

87535208

HOSE,7mm ID x 12mm OD x 5000mm L

Black, 5000mm

1шт.

6

81864605

HOSE CLAMP,11.5mm - 14.75mm

4шт.

7

10417901

RETAINER,26mm, Coat, 7mm Bolt Hole, P Type

1шт.

8

10519421

WASHER,6.4mm ID x 11.95mm OD x 1.6mm Thk

3шт.

9

10902024

SCREW,Hex, M6 x 12mm, Cl 8.8

1шт.

10

11193874

BELLEVILLE WASHER,M8 Bolt Size x 16mm OD x 1.4mm Thk

4шт.

11

14302821

HEX SOC SCREW,M8 x 1.25 x 18mm, Cl 8.8, Full Thd

4шт.

12

47636602

BRACKET

1шт.

13

16102211

NUT,M8, Cl 10

2шт.

14

10519621

WASHER,8.15mm ID x 17mm OD x 2mm Thk

2шт.

15

10449890

CLAMP,6mm, Coat, 9mm Bolt Hole, P Type

6mm

1шт.

16

10720111

NUT,M6, Cl 8

2шт.

17

47609929

BRAKE FLUID TANK

250cc, ASSY, Incl 18 - 20

1шт.

18

87668076

DECAL

Use only Mineral Oil

1шт.

19

47610925

FILLER CAP,Male, Vented, Lockable

1шт.

20

NSS

NOT SOLD SEPARAT

Reservoir, Incl in 17

1шт.

Выбрано товаров: 20