Запчасти Case IH FARMALL 110C (55.404.BB[06]) - VAR - 743580, 743581 - INDICATOR LIGHT, SUPPORT, W/O CAB (55) - ELECTRICAL SYSTEMS

Схема запчастей Case IH FARMALL 110C - (55.404.BB[06]) - VAR - 743580, 743581 - INDICATOR LIGHT, SUPPORT, W/O CAB (55) - ELECTRICAL SYSTEMS
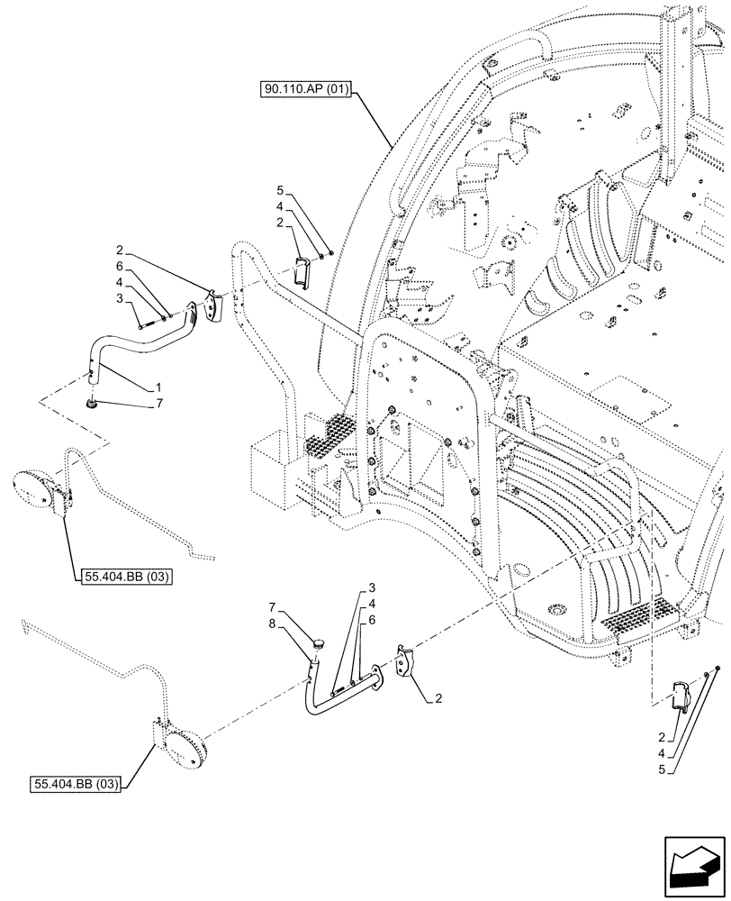
90.110.ap (01)
8
2
5
2
3
3
6
4
4
5
7
6
4
4
2
2
1
7
55.404.bb (03)
55.404.bb (03)
FIT
1:1
100%

Артикул

Название

Примечание

Количество

1

47808879

SUPPORT

RH

1шт.

2

47763924

COVER

ASSY, Incl 9, 10

2шт.

3

86977790

BOLT,Hex, M6 x 45mm, Cl 8.8

4шт.

4

12646601

WASHER,6.15mm ID x 15mm OD x 1.5mm Thk

8шт.

5

12575411

LOCK NUT,M6 x 1, Cl 8

4шт.

6

47383378

BUSHING,6.3mm ID x 7.5mm OD x 5.3mm L

4шт.

7

5176369

PLUG,21.2mm OD

2шт.

8

47808871

SUPPORT

LH

1шт.

9

47763922

TOP COVER

2шт.

10

47763920

TOP COVER

2шт.

Выбрано товаров: 0