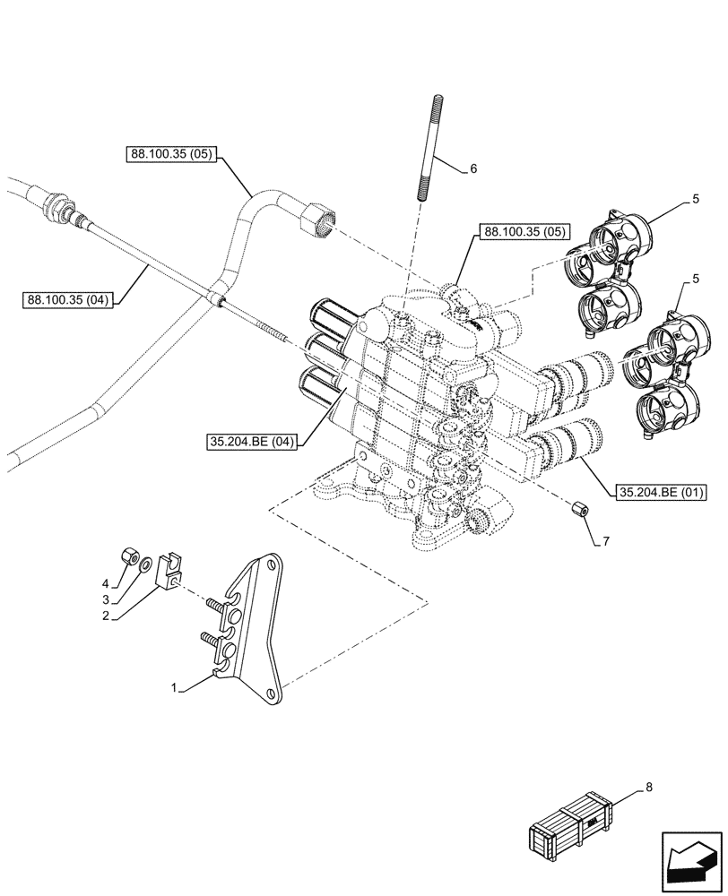
Запчасти Case IH FARMALL 110C (88.100.35[06]) - DIA KIT, 3RD REMOTE CONTROL VALVE (88) - ACCESSORIES

Схема запчастей Case IH FARMALL 110C - (88.100.35[06]) - DIA KIT, 3RD REMOTE CONTROL VALVE (88) - ACCESSORIES
88.100.35 (04)
5
3
4
1
6
5
8
7
2
88.100.35 (05)
88.100.35 (05)
35.204.be (01)
35.204.be (04)
FIT
1:1
100%

Артикул

Название

Примечание

Количество

1

84282287

BRACKET

1шт.

2

47132225

BRACKET

1шт.

3

14496501

WASHER,8.4mm ID x 17mm OD x 1.6mm Thk

1шт.

4

87597953

NUT,M8, 1.25 Pitch, 10.6mm High, Cl 8, ZND

1шт.

5

47132621

DUST CAP

2шт.

6

5151505

THREADED ROD,3/8" - 24 x 8-1/4"

3шт.

7

82012528

NUT,Hex, M6 x 1

1шт.

8

719195700

DIA KIT, TRACTOR

3rd Remote - 2 Coupler De Luxe, Incl 1 - 7

1шт.

To See Full DIA KIT Composition Look for all the Figures Where the DIA KIT P/N Is Shown

1шт.

Выбрано товаров: 9