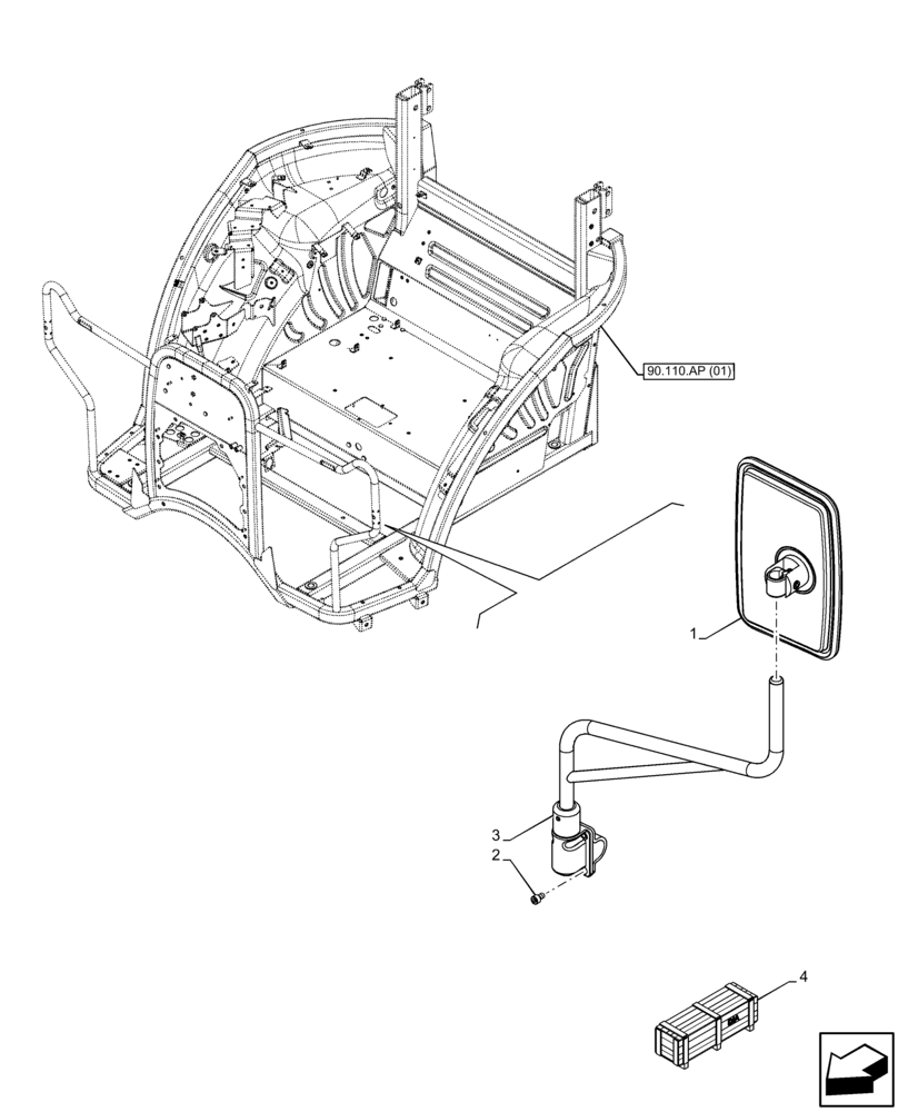
Запчасти Case IH FARMALL 110C (88.100.90[01]) - DIA KIT, FIXED EXTERNAL REAR VIEW MIRROR (88) - ACCESSORIES

Схема запчастей Case IH FARMALL 110C - (88.100.90[01]) - DIA KIT, FIXED EXTERNAL REAR VIEW MIRROR (88) - ACCESSORIES
1
90.110.ap (01)
4
2
3
FIT
1:1
100%

Артикул

Название

Примечание

Количество

1

5089603

MIRROR

1шт.

2

5089749

SUPPORT

1шт.

3

14305024

HEX SOC SCREW,M6 x 10mm, Cl 8.8, Full Thd

4шт.

4

719881250

DIA KIT, TRACTOR

1 Fixed Rear View Mirror for Rops, Incl 1 - 3

1шт.

Выбрано товаров: 4