Запчасти Case IH FARMALL 110C (27.106.AO) - VAR - 743564 - ELECTROHYDRAULIC DIFFERENTIAL LOCK, ACTUATOR, HI-LO (27) - REAR AXLE SYSTEM

Схема запчастей Case IH FARMALL 110C - (27.106.AO) - VAR - 743564 - ELECTROHYDRAULIC DIFFERENTIAL LOCK, ACTUATOR, HI-LO (27) - REAR AXLE SYSTEM
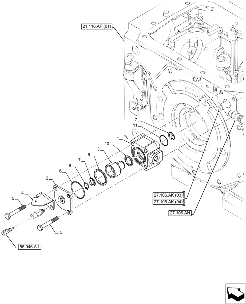
5
27.106.an
4
1
7
10
55.046.aj
3
11
2
7
27.106.ak (03)
6
27.106.ak (04)
8
9
5
21.118.af (01)
FIT
1:1
100%

Артикул

Название

Примечание

Количество

1

47735976

FLANGE

1шт.

2

47634906

COVER

1шт.

3

5163056

PISTON

1шт.

4

47609366

BRACKET

1шт.

5

15971324

SCREW,Hex, M10 x 1.25 x 75mm, Cl 8.8

3шт.

6

14459680

O-RING,0.103" Thk x 2.112" ID, -138, Cl 5, 75 Duro

1шт.

7

84281478

SPACER,16mm ID x 26mm OD x 3mm L

2шт.

8

87024782

SNAP RING,M16, Ext

1шт.

9

5162565

SEALING RING,45mm ID x 54.6mm OD x 4.2mm Thk

1шт.

10

5162564

SEALING RING,25mm ID x 34.6mm OD x 4.2mm Thk

1шт.

11

14463680

O-RING,0.139" Thk x 1.234" ID, -218, Cl 5, 75 Duro

1шт.

Выбрано товаров: 11