Запчасти Case IH FARMALL 110C (37.108.AL[02]) - VAR - 743595, 743596 - LIFT-O-MATIC, CONTROL LEVER, W/O CAB (37) - HITCHES, DRAWBARS & IMPLEMENT COUPLINGS

Схема запчастей Case IH FARMALL 110C - (37.108.AL[02]) - VAR - 743595, 743596 - LIFT-O-MATIC, CONTROL LEVER, W/O CAB (37) - HITCHES, DRAWBARS & IMPLEMENT COUPLINGS
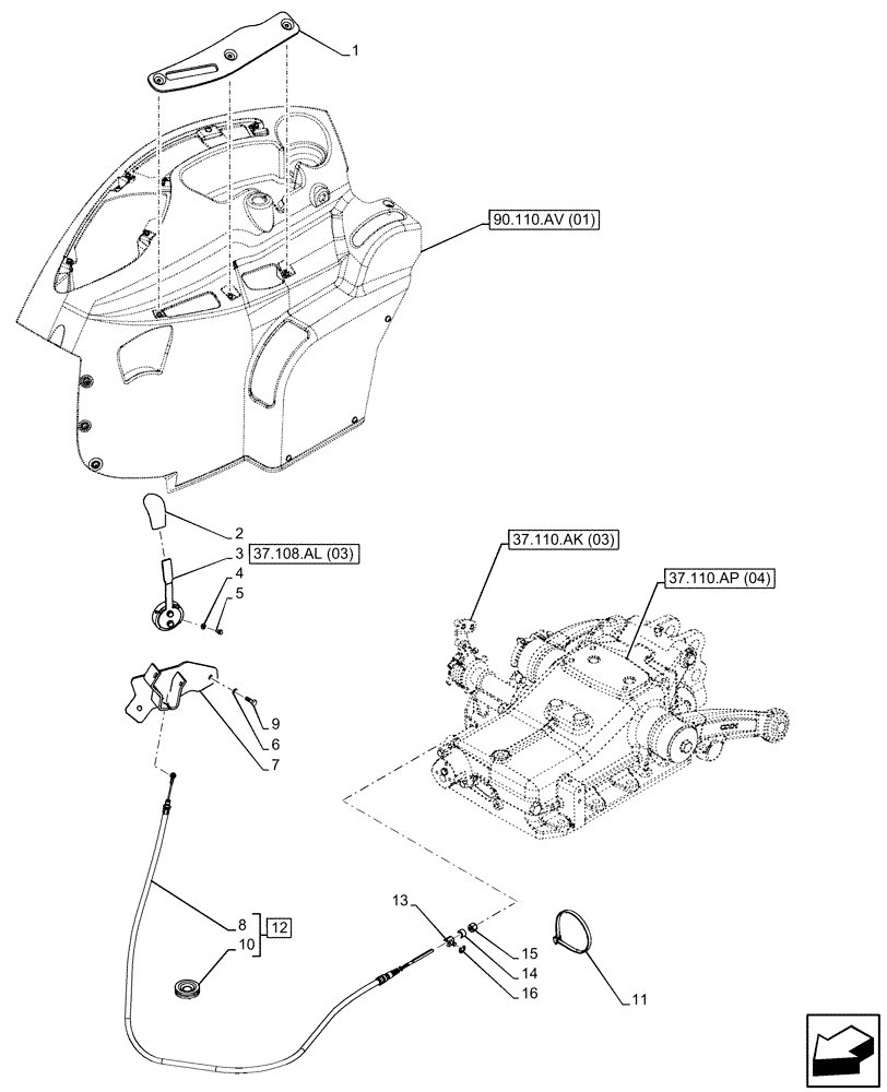
37.110.ap (04)
5
6
4
16
3
9
15
14
12
1
2
11
10
8
7
13
37.110.ak (03)
37.108.al (03)
90.110.av (01)
FIT
1:1
100%

Артикул

Название

Примечание

Количество

1

84397447

PLASTIC PLUG

Black

1шт.

2

47056498

KNOB

1шт.

3

47457079

CONTROL LEVER

1шт.

4

12601174

WAVE WASHER,Wave, M4.3

3шт.

5

14304021

HEX SOC SCREW,M5 x 10mm, Cl 8.8

3шт.

6

10519401

WASHER,6.4mm ID x 11.95mm OD x 1.6mm Thk

2шт.

7

84471347

BRACKET

1шт.

8

NSS

NOT SOLD SEPARAT

Control Cable, Incl in 12

1шт.

9

86980360

BOLT,Hex, M6 x 1 x 20mm, Cl 8.8, Full Thd

2шт.

10

84325372

GROMMET,9mm ID x 30mm OD x 9mm L

1шт.

11

14560187

COLLAR,199mm L

1шт.

12

47633763

CONTROL

ASSY, Incl 8, 10

1шт.

13

5138330

PIN,5mm OD x 17.5mm L

1шт.

14

87605321

SPACER,6.8mm ID x 10.3mm OD x 6.4mm L

1шт.

15

12574211

NUT,M6 x 1, Cl 8

1шт.

16

11087674

WASHER,4mm, CST DAC

1шт.

Выбрано товаров: 0