Запчасти Case IH FARMALL 110C (37.110.AM[04]) - VAR - 332785 - REAR, HYDRAULIC LIFT, HOUSING, LEVER, TIE-ROD, ARM (37) - HITCHES, DRAWBARS & IMPLEMENT COUPLINGS

Схема запчастей Case IH FARMALL 110C - (37.110.AM[04]) - VAR - 332785 - REAR, HYDRAULIC LIFT, HOUSING, LEVER, TIE-ROD, ARM (37) - HITCHES, DRAWBARS & IMPLEMENT COUPLINGS
13
2
7
10
9
12
6
12
4
11
2
2
8
15
2
1
5
3
14
FIT
1:1
100%

Артикул

Название

Примечание

Количество

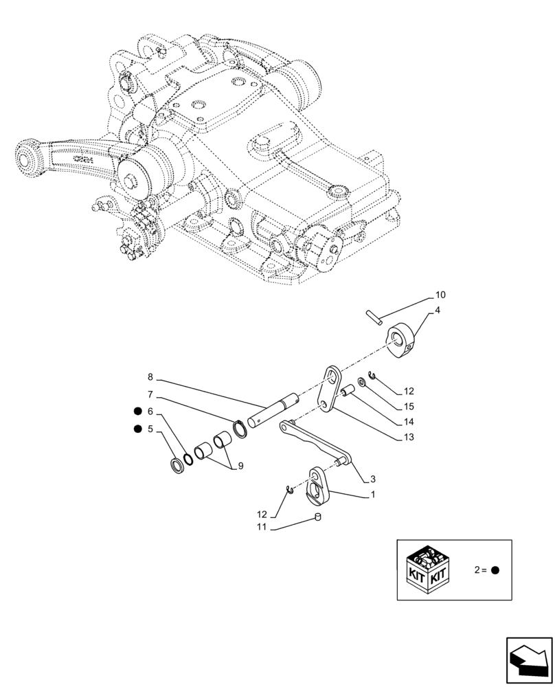
1

84262892

CRANK LEVER

1шт.

2

84562042

GASKET KIT

KIT, Incl 5, 6

1шт.

Include also Gaskets in Figure 37.110.AI (03), 37.110.AK (02), 37.110.AQ (02)

1шт.

3

84262899

LEVER

1шт.

4

84560075

CAM

1шт.

5

84263383

OIL SEAL,16mm ID x 20.5mm OD x 2mm Thk

1шт.

6

84263384

O-RING, 15.88mm ID x x 2.62mm Thk

1шт.

7

84188564

SNAP RING

1шт.

8

84560080

PIN

1шт.

9

84262500

BUSHING

2шт.

10

14604379

PIN,6mm OD x 36mm L

6 x 36

1шт.

11

86836489

SET SCREW,Hex Skt, M8 x 8mm, Cup Pt

1шт.

12

86639142

SNAP RING,M8

2шт.

13

84262896

LEVER

1шт.

14

84560077

ROLLER

1шт.

15

86511323

WASHER,10.5mm ID x 20mm OD x 2mm Thk

1шт.

Выбрано товаров: 0