Запчасти Case IH FARMALL 110U (10.500.060) - VAR - 334773, 391263 - DEF/ADBLUE™ LINES (10) - ENGINE

Схема запчастей Case IH FARMALL 110U - (10.500.060) - VAR - 334773, 391263 - DEF/ADBLUE™ LINES (10) - ENGINE
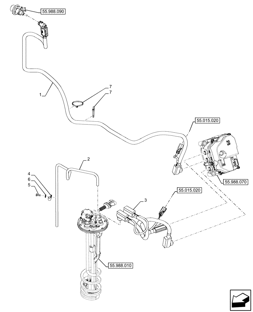
55.988.010
7
7
2
1
3
6
4
5
55.015.020
55.015.020
55.988.090
55.988.070
FIT
1:1
100%

Артикул

Название

Примечание

Количество

1

47473405

PIPE

Pressure Line

1шт.

2

47483874

PIPE

Vent Line

1шт.

3

47505492

PIPE

Backflow, Line

1шт.

4

86050346

CLAMP,9.5mm, Coat, 7.1mm Bolt Hole, P Type

1шт.

5

86508568

BOLT,Hex, M6 x 1 x 16mm, Cl 8.8

1шт.

6

322357

BELLEVILLE WASHER,M6 Bolt Size x 14mm OD x 1.3mm Thk

1шт.

7

14560187

COLLAR,199mm L

2шт.

Выбрано товаров: 7