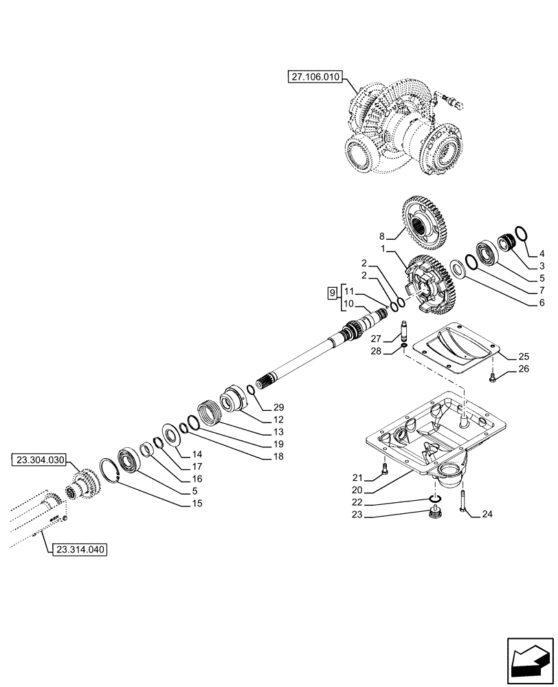
Запчасти Case IH FARMALL 110U (23.304.010) - VAR - 391264 - GEAR, CLUTCH, 4WD (23) - FOUR WHEEL DRIVE SYSTEM

Схема запчастей Case IH FARMALL 110U - (23.304.010) - VAR - 391264 - GEAR, CLUTCH, 4WD (23) - FOUR WHEEL DRIVE SYSTEM
23.304.030
25
5
10
8
29
26
7
28
27
3
24
18
6
23
17
16
13
5
9
15
2
4
20
22
19
2
11
12
1
21
14
23.314.040
27.106.010
FIT
1:1
100%

Артикул

Название

Примечание

Количество

1

47546922

GEAR

1шт.

2

5185502

PISTON RING,28.5mm ID x 32mm OD x 2.1mm Thk

2шт.

3

47126668

MANIFOLD

1шт.

4

14458881

O-RING,1.612" ID x 0.103" Width

1шт.

5

20045200

BALL BEARING,35mm ID x 80mm OD x 21mm

2шт.

6

84560609

SPACER,35.2mm ID x 64mm OD x 7mm L

1шт.

7

14459180

O-RING,45.69mm ID x 2.62"

1шт.

8

47546919

GEAR

1шт.

9

84560607

SHAFT

ASSY, Incl 10, 11

1шт.

10

NSS

NOT SOLD SEPARAT

Shaft, Incl in 9

1шт.

11

13789620

SET SCREW,Hex Soc, M8 x 10mm, Flat Pt

1шт.

12

5176903

SLEEVE,21T

1шт.

13

87704329

SPRING,77mm OD x 86mm Free Length

1шт.

14

5176902

RING

1шт.

15

11061976

SNAP RING,M80, Int

1шт.

16

84554888

SPACER,35mm ID x 43mm OD x 18.2mm L

1шт.

17

5109282

CIRCLIP,M35, Ext x 2.50 Thk

1шт.

18

5160580

GASKET,27.55mm ID x 35.12mm OD x 3.2mm Thk

1шт.

19

5152665

SEAL,42.55mm ID x 50.12mm OD x 3.2mm Thk

1шт.

20

84584612

COVER

1шт.

21

11306924

BOLT,Hex, M10 x 1.25 x 30, 8.8, Full Thd

8шт.

22

14438285

O-RING,29.5mm ID x 3.0mm

1шт.

23

87687750

MAGNETIC PLUG,Hex, M33 X 2 X 16mm

1шт.

24

15888824

BOLT,Hex, M10 x 1.25 x 70mm, Cl 8.8

2шт.

25

47415918

COVER

1шт.

26

15970521

BOLT,Hex, M10 x 1.25 x 20mm, Cl 8.8, Full Thd

4шт.

27

47126672

PIN,10.5mm OD x 46.6mm L

1шт.

28

14452880

O-RING,0.07" Thk x 0.301" ID, -11, Cl 5, 75 Duro

1шт.

29

14458081

O-RING,1.112" ID x 0.103" Width

1шт.

Выбрано товаров: 0