Запчасти Case IH FARMALL 110U (23.304.040) - VAR - 337707, 758604 - 4WD ENGAGEMENT CLUTCH CONTROL (23) - FOUR WHEEL DRIVE SYSTEM

Схема запчастей Case IH FARMALL 110U - (23.304.040) - VAR - 337707, 758604 - 4WD ENGAGEMENT CLUTCH CONTROL (23) - FOUR WHEEL DRIVE SYSTEM
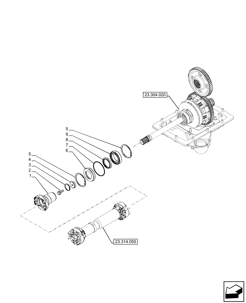
23.304.020
3
8
5
7
6
9
1
2
5
23.314.050
4
FIT
1:1
100%

Артикул

Название

Примечание

Количество

1

47669813

HUB

1шт.

2

857-10030

BOLT,Hvy Hex, M10 x 30mm, Cl 10.9

1шт.

3

11059974

SNAP RING,M40, Int

1шт.

4

47672941

SPACER

1шт.

5

11061976

SNAP RING,M80, Int

2шт.

6

5194367

SEALING RING

1шт.

7

14465380

O-RING,0.139" Thk x 3.109" ID, -235, Cl 5, 75 Duro

1шт.

8

5124606

SEAL,50mm ID x 65mm OD x 8mm Thk

1шт.

9

28042500

BALL BEARING,50mm x 80mm x 16mm

1шт.

Выбрано товаров: 0