Запчасти Case IH FARMALL 110U (35.204.420) - VAR - 758820 - CABLE, MID-MOUNT CONTROL VALVE (35) - HYDRAULIC SYSTEMS

Схема запчастей Case IH FARMALL 110U - (35.204.420) - VAR - 758820 - CABLE, MID-MOUNT CONTROL VALVE (35) - HYDRAULIC SYSTEMS
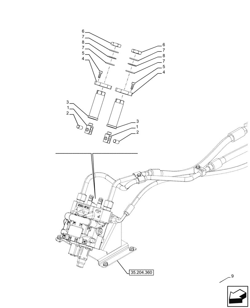
35.204.360
9
3
7
1
6
3
8
7
4
2
7
4
1
6
2
5
5
7
8
FIT
1:1
100%

Артикул

Название

Примечание

Количество

1

87303906

YOKE

2шт.

2

87332065

PIN,9mm OD x 17mm L

2шт.

3

84589426

BUSHING,16mm ID x 28mm OD x 80mm L

2шт.

4

84589454

FLANGE,25mm ID

2шт.

5

14304621

SCREW,M5 x 14mm, Cl 8.8, Full Thd

4шт.

6

84589472

NUT,Hex, M16 x 1.5

2шт.

7

47529322

WASHER,16.2mm ID x 25mm OD x 2mm Thk

4шт.

8

5167639

SEALING WASHER,13.4mm ID x 24mm OD x 1.5mm Thk

2шт.

9

719302070

DIA KIT, TRACTOR

Load Sensing Mid Mount Valve, Incl 1 - 8

1шт.

To See Full DIA KIT Composition Look for all the Figures Where the DIA KIT P/N Is Shown

1шт.

9

719302090

DIA KIT, TRACTOR

Load Sensing Mid Mount Valve, Incl 1 - 8

1шт.

To See Full DIA KIT Composition Look for all the Figures Where the DIA KIT P/N Is Shown

1шт.

9

719256070

DIA KIT, TRACTOR

Mid Mount for Pump 61 Liters, Incl 1 - 8

1шт.

To See Full DIA KIT Composition Look for all the Figures Where the DIA KIT P/N Is Shown

1шт.

Выбрано товаров: 14