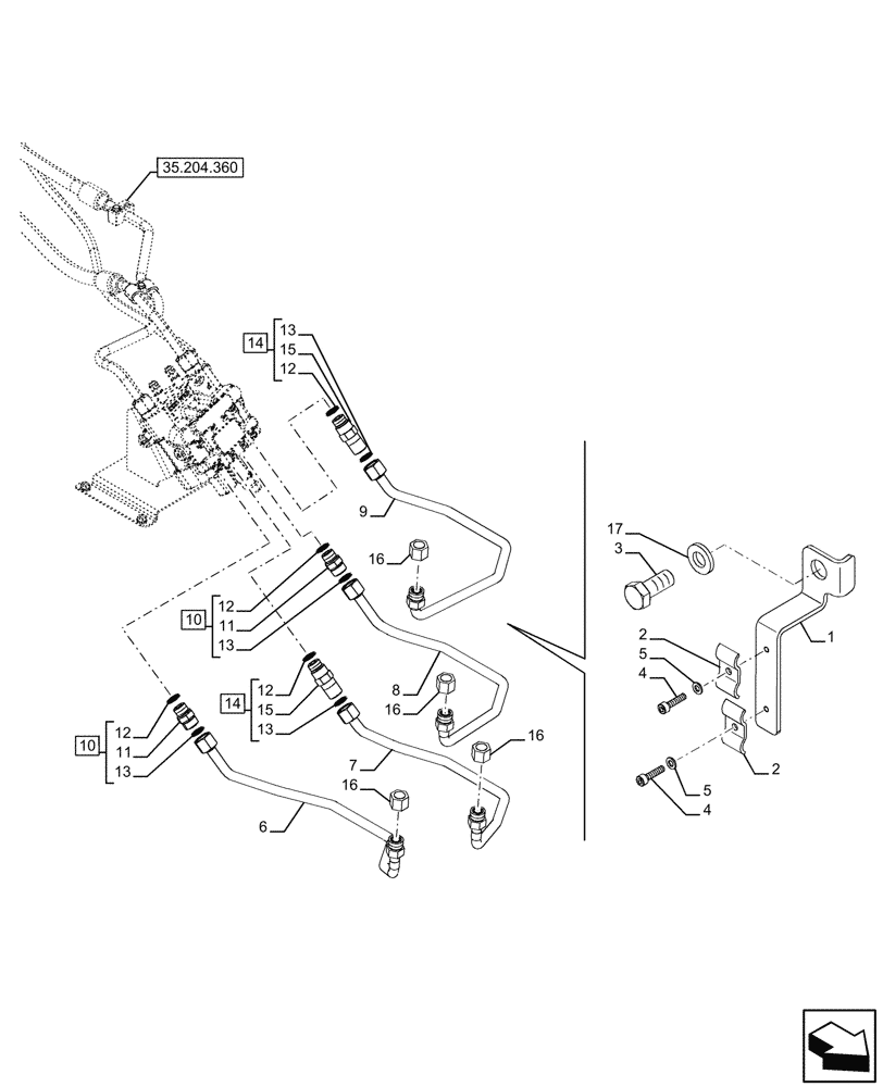
Запчасти Case IH FARMALL 110U (35.204.600) - VAR - 744711 - REMOTE CONTROL VALVE, PIPE, MULTIFASTER COUPLER, EU (35) - HYDRAULIC SYSTEMS

Схема запчастей Case IH FARMALL 110U - (35.204.600) - VAR - 744711 - REMOTE CONTROL VALVE, PIPE, MULTIFASTER COUPLER, EU (35) - HYDRAULIC SYSTEMS
35.204.360
8
15
2
4
1
13
10
13
16
2
12
7
16
5
5
11
12
4
14
10
15
3
13
14
17
16
12
12
11
9
16
6
13
FIT
1:1
100%

Артикул

Название

Примечание

Количество

1

47701402

BRACKET

1шт.

2

84475431

BRACKET

2шт.

3

86500658

BOLT,Hex, M20 x 2.5 x 45mm, Cl 10.9

2шт.

4

9832203

HEX SOC SCREW,M6 x 25mm, Cl 8.8, Full Thd

2шт.

5

11194374

WASHER,Belleville, 6.4mm ID x 12mm OD

2шт.

6

47714499

PIPE

from Inching Valve to Hidraulic Multifaster

1шт.

7

47714497

PIPE

from Inching Valve to Hidraulic Multifaster

1шт.

8

47714495

PIPE

from Inching Valve to Hidraulic Multifaster

1шт.

9

47714493

PIPE

from Inching Valve to Hidraulic Multifaster

1шт.

10

86579680

HYD CONNECTOR,1"-14 ORFS x M22 x 1.5mm ORB

ASSY, Incl 11, 12 (Qty 1), 13 (Qty 1)

2шт.

11

NSS

NOT SOLD SEPARAT

Connector, Incl in 10

1шт.

12

86598102

O-RING,2.2mm Thk x 19.3mm ID, Cl 6, 90 Duro

4шт.

13

9992069

O-RING,0.07" Thk x 0.614" ID, -16, Cl 6, 90 Duro

4шт.

14

87480324

HYD CONNECTOR

ASSY, Incl 12 (Qty 1), 13 (Qty 1), 15

2шт.

15

NSS

NOT SOLD SEPARAT

Connector, Incl in 14

1шт.

16

9840576

CAP,1" - 14 ORFS

4шт.

17

11191879

BELLEVILLE WASHER,Belleville, 20mm ID x 38mm OD x 5.2mm Thk

1шт.

Выбрано товаров: 17