Запчасти Case IH FARMALL 110U (55.024.030) - VAR - 758295, 332844 - TRANSMISSION, HARNESS, W/ DIVERTER (55) - ELECTRICAL SYSTEMS

Схема запчастей Case IH FARMALL 110U - (55.024.030) - VAR - 758295, 332844 - TRANSMISSION, HARNESS, W/ DIVERTER (55) - ELECTRICAL SYSTEMS
21.111.020
3
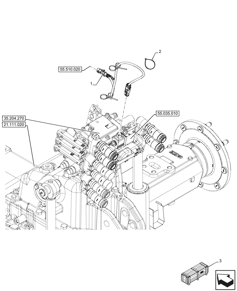
1
2
55.035.010
35.204.270
55.510.020
FIT
1:1
100%

Артикул

Название

Примечание

Количество

1

47509423

WIRE HARNESS

For Distributor Diverter

1шт.

2

14560187

COLLAR,199mm L

1шт.

3

718194070

DIA KIT, TRACTOR

Diverter for 3 Remotes

1шт.

To See Full DIA KIT Composition Look for all the Figures Where the DIA KIT P/N Is Shown

1шт.

3

718194080

DIA KIT, TRACTOR

Diverter for 3 Remotes

1шт.

To See Full DIA KIT Composition Look for all the Figures Where the DIA KIT P/N Is Shown

1шт.

Выбрано товаров: 6