Запчасти Case IH FARMALL 110U (55.035.010) - VAR - 758295, 332844 - DIVERTER, VALVE, AUTOMATIC PICK-UP HITCH (55) - ELECTRICAL SYSTEMS

Схема запчастей Case IH FARMALL 110U - (55.035.010) - VAR - 758295, 332844 - DIVERTER, VALVE, AUTOMATIC PICK-UP HITCH (55) - ELECTRICAL SYSTEMS
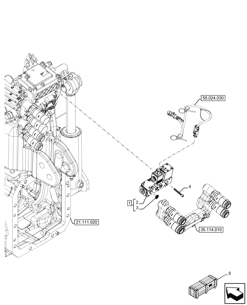
21.111.020
3
5
2
4
1
55.024.030
35.114.010
FIT
1:1
100%

Артикул

Название

Примечание

Количество

1

47633685

HYDRAULIC VALVE

ASSY, Incl 2, 3

1шт.

2

47737076

SOLENOID VALVE

1шт.

3

14457186

O-RING,0.103" Thk x 0.549" ID, -113, Cl 5, 75 Duro

4шт.

4

356464

HEX SOC SCREW,M6 x 50mm, Cl 8.8

4шт.

5

718194070

DIA KIT, TRACTOR

Diverter for 3 Remotes

1шт.

To See Full KIT Composition Look for all the Figures Where the DIA KIT P/N Is Shown

1шт.

5

718194080

DIA KIT, TRACTOR

Diverter for 3 Remotes

1шт.

To See Full KIT Composition Look for all the Figures Where the DIA KIT P/N Is Shown

1шт.

Выбрано товаров: 8