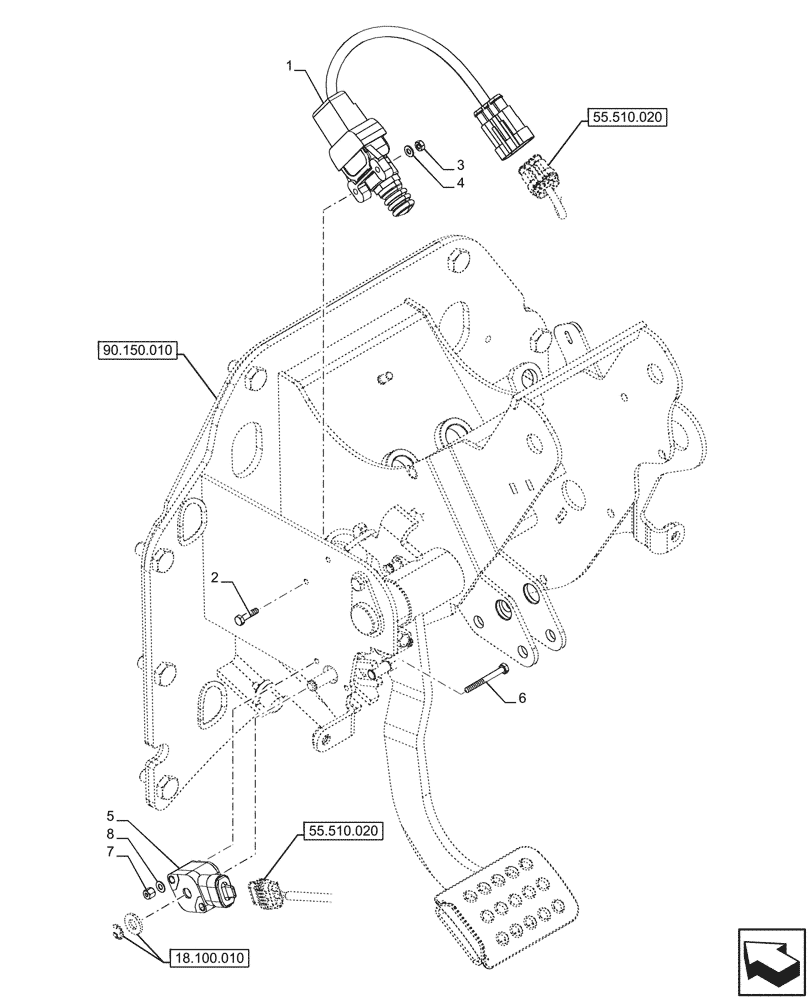
Запчасти Case IH FARMALL 110U (55.408.100) - VAR - 332147, 335387, 339434, 391246 - PEDAL, ACCELERATOR, SWITCH (55) - ELECTRICAL SYSTEMS

Схема запчастей Case IH FARMALL 110U - (55.408.100) - VAR - 332147, 335387, 339434, 391246 - PEDAL, ACCELERATOR, SWITCH (55) - ELECTRICAL SYSTEMS
55.510.020
4
5
6
3
1
8
7
2
18.100.010
90.150.010
55.510.020
FIT
1:1
100%

Артикул

Название

Примечание

Количество

1

87484879

LIMIT SWITCH

Limit

1шт.

2

10444921

BOLT,Hex, M4 x 18mm, Cl 8.8

2шт.

3

10794014

NUT,M4, Cl 8

2шт.

4

10519201

WASHER,4.3mm ID x 9mm OD x 0.8mm Thk

2шт.

5

87605245

POTENTIOMETER,4000 Ohm, 13.5 VDC

Rotary position

1шт.

6

47435322

BOLT,Hex, M4 x 40mm, Cl 8.8

2шт.

7

86625075

NUT,M4 x 0.7, Cl 8

2шт.

8

11181474

BELLEVILLE WASHER,M4 Bolt Size x 9mm OD x 0.7mm Thk

2шт.

Выбрано товаров: 8