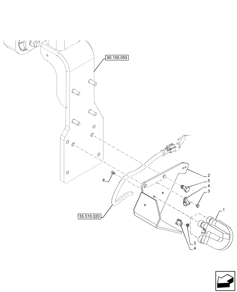
Запчасти Case IH FARMALL 110U (55.680.010) - VAR - 334703, 335703 - RADAR, UNIVERSAL BUCKET, UNIVERSAL (55) - ELECTRICAL SYSTEMS

Схема запчастей Case IH FARMALL 110U - (55.680.010) - VAR - 334703, 335703 - RADAR, UNIVERSAL BUCKET, UNIVERSAL (55) - ELECTRICAL SYSTEMS
55.510.020
4
4
6
3
2
1
3
5
90.150.050
FIT
1:1
100%

Артикул

Название

Примечание

Количество

1

84465662

SENSOR

1шт.

2

47746499

BRACKET

1шт.

3

15857521

SCREW

2шт.

4

10418401

RETAINER,12mm, Coat, 7mm Bolt Hole, P Type

2шт.

5

15973921

BOLT,Hex, M12 x 1.5 x 25mm, Cl 8.8, Full Thd

2шт.

6

13301111

SCREW,Pozidriv Flat Hd, Csk, M6 x 12mm, Cl 5.8

3шт.

Выбрано товаров: 6