Запчасти Case IH FARMALL 110U (82.100.020) - VAR - 342003, 342004, 744713 - W/ LOADER READY, NA (82) - FRONT LOADER & BUCKET

Схема запчастей Case IH FARMALL 110U - (82.100.020) - VAR - 342003, 342004, 744713 - W/ LOADER READY, NA (82) - FRONT LOADER & BUCKET
21.111.010
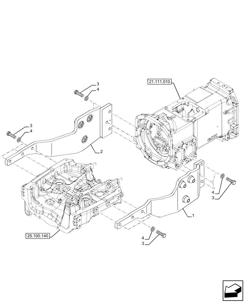
1
3
4
4
2
4
3
3
3
4
25.100.140
FIT
1:1
100%

Артикул

Название

Примечание

Количество

1

47688332

SUPPORT

LH

1шт.

2

47688323

SUPPORT

RH

1шт.

3

412641

BOLT,Hex, M20 x 2.5 x 70mm, Cl 10.9

12шт.

4

11191879

BELLEVILLE WASHER,Belleville, 20mm ID x 38mm OD x 5.2mm Thk

12шт.

Выбрано товаров: 0