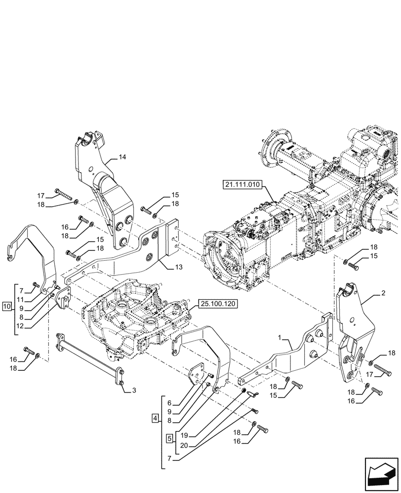
Запчасти Case IH FARMALL 110U (82.100.040) - VAR - 342003, 342004, 758980 - W/ LOADER READY, NA (82) - FRONT LOADER & BUCKET

Схема запчастей Case IH FARMALL 110U - (82.100.040) - VAR - 342003, 342004, 758980 - W/ LOADER READY, NA (82) - FRONT LOADER & BUCKET
21.111.010
13
7
10
17
4
18
18
15
16
16
18
18
18
20
18
16
18
6
12
14
7
1
3
9
18
18
17
11
15
2
5
16
18
15
19
8
9
8
15
25.100.120
FIT
1:1
100%

Артикул

Название

Примечание

Количество

1

47688332

SUPPORT

LH, side rail, With Mid Mount 80 L/Min

1шт.

2

47688706

BRACKET

LH

1шт.

3

47655747

BRACKET

1шт.

4

47779691

PLATE

LH, ASSY, Incl 5, 6, 7 (Qty1), 8 (Qty1), 9 (Qty1)

1шт.

5

NSS

NOT SOLD SEPARAT

Plate, Inlc in 4

1шт.

6

47779669

PLATE

1шт.

7

9804271

BOLT,Hex, M16 x 40mm, Cl 8.8, Full Thd

1шт.

8

47673848

SPACER

1шт.

9

47657971

SCREW,Hex, M16 x 2 x 25mm L

1шт.

10

47779693

PLATE

RH, ASSY, Incl 7 (Qty1), 8 (Qty1), 9 (Qty1), 11, 12

1шт.

11

NSS

NOT SOLD SEPARAT

Plate, Incl in 10

1шт.

12

47779671

PLATE

1шт.

13

47688323

SUPPORT

RH, side rail

1шт.

14

47688724

BRACKET

RH

1шт.

15

412641

BOLT,Hex, M20 x 2.5 x 70mm, Cl 10.9

12шт.

16

11125334

BOLT,Hex, M20 x 80, 10.9

7шт.

17

11126734

BOLT,Hex, M20 x 150, 10.9

3шт.

18

11191879

BELLEVILLE WASHER,Belleville, 20mm ID x 38mm OD x 5.2mm Thk

22шт.

19

LDR5011922

NUT

1шт.

20

LDR5016994

PIN

1шт.

Выбрано товаров: 0