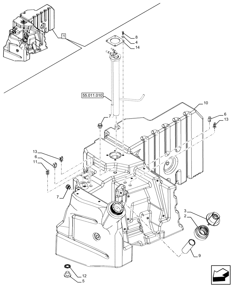
Запчасти Case IH FARMALL 110U (10.216.020) - VAR - 390210 - FUEL TANK (10) - ENGINE

Схема запчастей Case IH FARMALL 110U - (10.216.020) - VAR - 390210 - FUEL TANK (10) - ENGINE
55.011.010
13
11
6
5
12
7
7
1
13
14
3
10
4
6
9
8
2
FIT
1:1
100%

Артикул

Название

Примечание

Количество

1

47844789

FUEL TANK

ASSY, Incl 2 - 14

1шт.

See also Figure 55.011.010

1шт.

2

47844790

NECK FILLER

1шт.

3

47844792

CAP

1шт.

4

14498801

WASHER,6.4mm ID x 16.3mm OD x 1mm Thk

4шт.

5

5094121

PLUG,Hex socket, M24 x 1

1шт.

6

47557771

MOUNT

2шт.

7

82035326

ADAPTER

2шт.

8

10902321

SCREW,Hex, M6 x 18mm, Cl 8.8, Full Thd

4шт.

9

47844791

FILTER STRAINER

1шт.

10

NSS

NOT SOLD SEPARAT

Fuel Tank, Incl in 1

1шт.

11

47564501

MOUNT

2шт.

12

5093981

SEAL,23mm ID x 41mm OD x 3.8mm Thk

1шт.

13

47570641

CLIP,0.7-3.5 Thk

2шт.

14

87586744

RETAINER,64mm ID x 90mm L x 90mm W x 4mm Thk

1шт.

Выбрано товаров: 15