Запчасти Case IH FARMALL 110U (10.216.030) - VAR - 336763, 336764 - FUEL TANK, W/ LOCKABLE FUEL CAP (10) - ENGINE

Схема запчастей Case IH FARMALL 110U - (10.216.030) - VAR - 336763, 336764 - FUEL TANK, W/ LOCKABLE FUEL CAP (10) - ENGINE
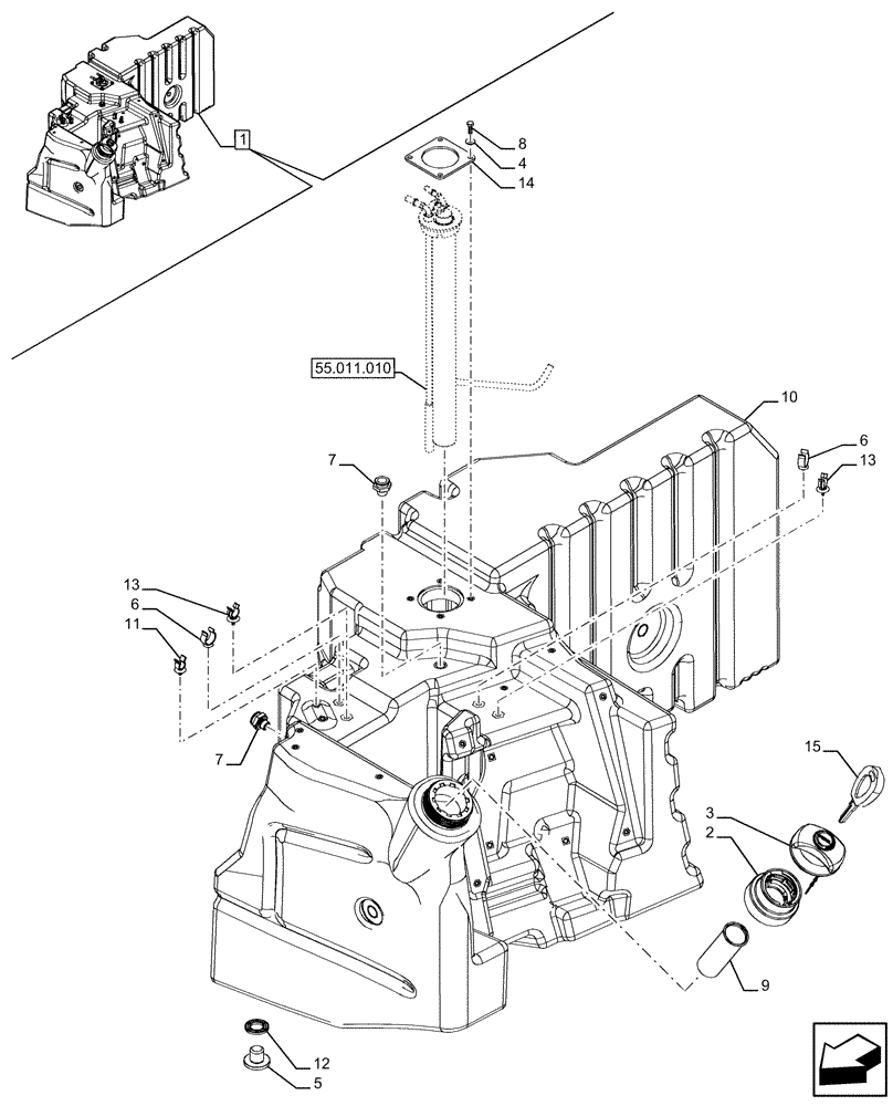
10
4
13
7
6
12
5
9
1
13
14
8
2
11
15
3
6
7
55.011.010
FIT
1:1
100%

Артикул

Название

Примечание

Количество

1

47844804

FUEL TANK

ASSY, Incl 2 - 15

1шт.

See also Figure 55.011.020

1шт.

2

47844790

NECK FILLER

1шт.

3

47844805

LOCKABLE FUEL CAP

1шт.

4

14498801

WASHER,6.4mm ID x 16.3mm OD x 1mm Thk

4шт.

5

5094121

PLUG,Hex socket, M24 x 1

1шт.

6

47557771

MOUNT

2шт.

7

82035326

ADAPTER

2шт.

8

10902321

SCREW,Hex, M6 x 18mm, Cl 8.8, Full Thd

4шт.

9

47844791

FILTER STRAINER

1шт.

10

NSS

NOT SOLD SEPARAT

Fuel Tank, Incl in 1

1шт.

11

47564501

MOUNT

2шт.

12

5093981

SEAL,23mm ID x 41mm OD x 3.8mm Thk

1шт.

13

47570641

CLIP,0.7-3.5 Thk

2шт.

14

87586744

RETAINER,64mm ID x 90mm L x 90mm W x 4mm Thk

1шт.

15

87573227

IGNITION KEY

1шт.

Выбрано товаров: 16