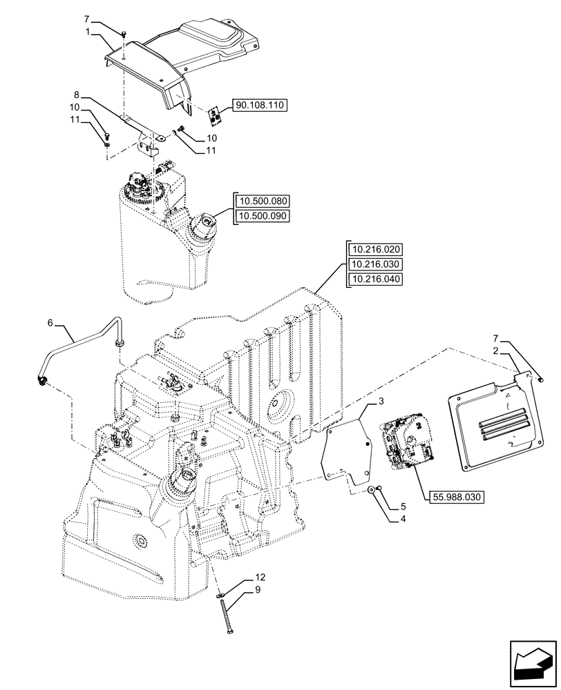
Запчасти Case IH FARMALL 110U (10.216.040) - VAR - 336763, 336764, 390210 - FUEL TANK (10) - ENGINE

Схема запчастей Case IH FARMALL 110U - (10.216.040) - VAR - 336763, 336764, 390210 - FUEL TANK (10) - ENGINE
10.216.020
7
3
11
1
12
9
11
2
4
10
5
6
8
10
7
10.216.030
10.500.080
10.500.090
10.216.040
90.108.110
55.988.030
FIT
1:1
100%

Артикул

Название

Примечание

Количество

1

47682782

COVER

1шт.

2

47682888

COVER

1шт.

3

47566723

PLATE

1шт.

4

12628901

WASHER,8.15mm ID x 25mm OD x 4mm Thk

2шт.

5

120104

BOLT,Hex, M8 x 1.25 x 20mm, Cl 8.8

2шт.

6

47473349

TUBE

1шт.

7

9804255

BOLT,Hex, M6 x 1 x 16mm, Full Thd, Cl 8.8

7шт.

8

47514162

SUPPORT

1шт.

9

11108621

BOLT,Hex, M10 x 120mm, Cl 8.8

1шт.

10

16043221

BOLT,Hex, M8 x 16mm, Cl 8.8, Full Thd

4шт.

11

14496501

WASHER,8.4mm ID x 17mm OD x 1.6mm Thk

4шт.

12

12646901

WASHER,12.2mm ID x 8mm OD x 3mm Thk

1шт.

Выбрано товаров: 12