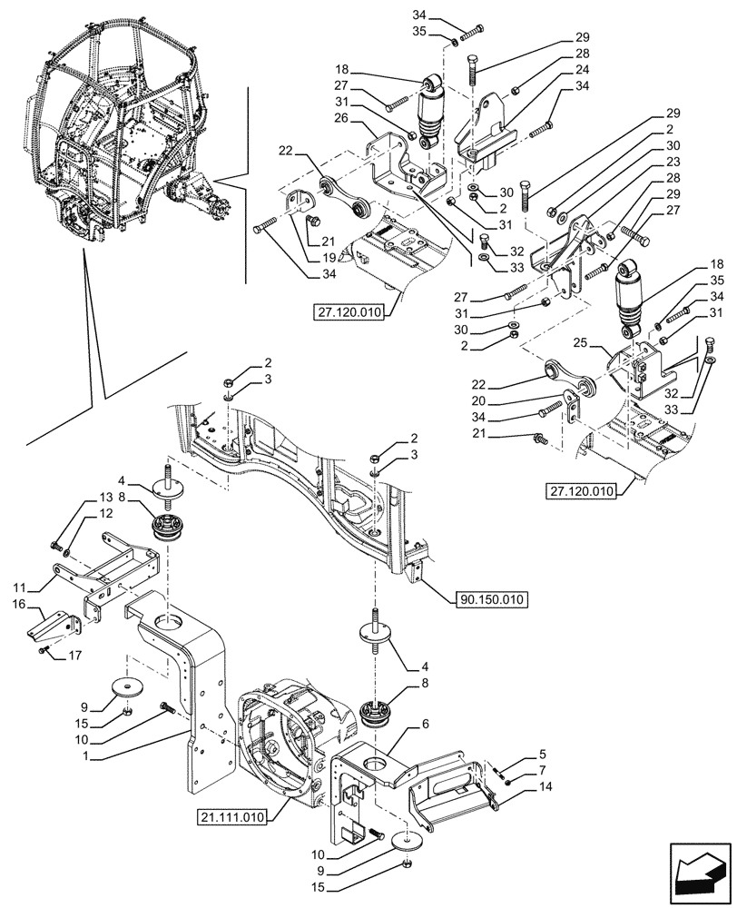
Запчасти Case IH FARMALL 110U (90.150.060) - VAR - 332147, 336790 - CAB SUPPORT, SUSPENDED CAB (90) - PLATFORM, CAB, BODYWORK AND DECALS

Схема запчастей Case IH FARMALL 110U - (90.150.060) - VAR - 332147, 336790 - CAB SUPPORT, SUSPENDED CAB (90) - PLATFORM, CAB, BODYWORK AND DECALS
21.111.010
29
11
5
2
21
9
17
10
2
31
31
19
22
1
32
28
29
8
29
34
8
28
15
31
2
25
6
35
22
34
26
12
30
3
34
31
23
34
10
16
14
27
2
2
7
18
9
30
24
18
20
27
21
34
3
27
15
13
33
33
4
32
35
4
30
27.120.010
27.120.010
90.150.010
FIT
1:1
100%

Артикул

Название

Примечание

Количество

1

47691485

SUPPORT

RH

1шт.

2

12164321

NUT,M20 x 1.5, Cl 10

6шт.

3

700050802

BELLEVILLE WASHER,M20 Bolt Size x 38mm OD

2шт.

4

47712980

SPACER

2шт.

5

13449421

STUD

2шт.

6

47949910

SUPPORT

LH

1шт.

7

14059421

FLANGE NUT,Hex, M10 x 1.25, Cl. 10

2шт.

8

83983548

ISOLATOR,120mm OD x 64mm L

2шт.

9

47465749

SPACER,12.5mm ID x 16mm OD x 8mm L

2шт.

10

15840534

BOLT,Hex, M16 x 1.5 x 50mm, Cl 10.9, Full Thd

8шт.

11

47858997

SUPPORT

1шт.

12

11194174

BELLEVILLE WASHER,M14 Bolt Size x 27mm OD x 3mm Thk

2шт.

13

11422321

BOLT,Hex, M14 x 1.5 x 30mm, Cl 8.8

2шт.

14

47689553

SUPPORT

LH

1шт.

15

12575121

NUT,M20 x 1.5, Cl 10

2шт.

16

47858998

SUPPORT

1шт.

17

9804260

BOLT,Hex, M8 x 1.25 x 30mm, Full Thd, Cl 8.8

2шт.

18

47508758

DAMPER

2шт.

19

47863647

BRACKET

RH

1шт.

20

47863644

BRACKET

LH

1шт.

21

47456193

FLANGE BOLT,Hex, M16 x 35mm, Cl 10.9

4шт.

22

47508733

STABILIZER

2шт.

23

47863626

SUPPORT

1шт.

24

47863636

SUPPORT

RH

1шт.

25

47866163

SUPPORT

LH

1шт.

26

47866165

SUPPORT

RH

1шт.

27

15977821

BOLT,Hex, M14 x 1.5 x 85mm, Cl 8.8

2шт.

28

12574811

NUT,M14 x 1.5, Cl 8

2шт.

29

10960837

BOLT,Hex, M20 x 1.5 x 105mm, Cl 10.9

4шт.

30

1190848

BELLEVILLE WASHER,M20 Bolt Size x 45mm OD x 5mm Thk

4шт.

31

12574911

NUT,M16 x 1.5, Cl 8

4шт.

32

11408531

BOLT,Hex, M18 x 1.5 x 40, 10.9, Full Thd

8шт.

33

11191679

BELLEVILLE WASHER,M18 Bolt Size x 36mm OD x 4.2mm Thk

8шт.

34

15981431

BOLT,Hex, M16 x 1.5 x 85mm, Cl 10.9

4шт.

35

11194179

BELLEVILLE WASHER,M14 Bolt Size x 27mm OD x 3mm Thk

2шт.

Выбрано товаров: 35