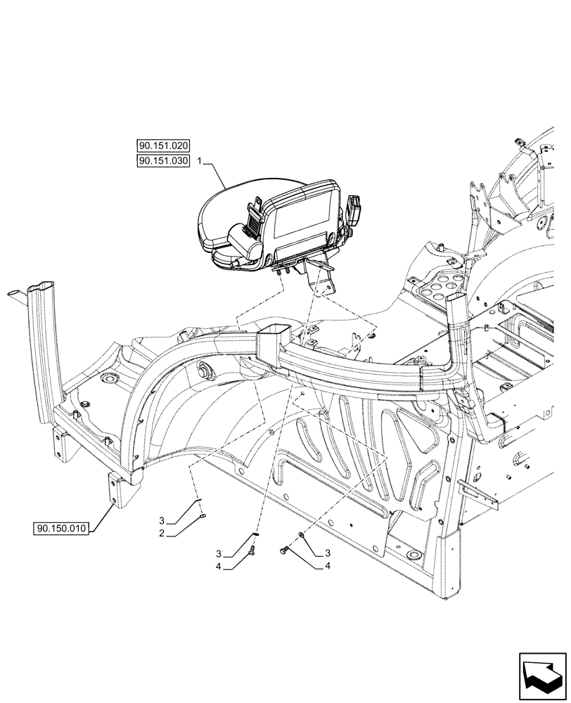
Запчасти Case IH FARMALL 110U (90.151.010) - VAR - 331444, 332147, 336730, 339434 - PASSENGER SEAT (90) - PLATFORM, CAB, BODYWORK AND DECALS

Схема запчастей Case IH FARMALL 110U - (90.151.010) - VAR - 331444, 332147, 336730, 339434 - PASSENGER SEAT (90) - PLATFORM, CAB, BODYWORK AND DECALS
90.150.010
3
2
1
4
4
3
3
90.151.030
90.151.020
FIT
1:1
100%

Артикул

Название

Примечание

Количество

1

47564639

INSTRUCTIONAL SEAT

SEAT ASSY, Fabric, Wheat

1шт.

2

16100811

NUT,Hex, M8, 6.80mm, Cl 8, ZND

2шт.

3

11193874

BELLEVILLE WASHER,M8 Bolt Size x 16mm OD x 1.4mm Thk

5шт.

4

16043424

SCREW,Hex, M8 x 1.25 x 20mm, Cl 8.8, Full Thd

3шт.

Выбрано товаров: 4