Запчасти Case IH FARMALL 115C (21.000.00[01]) - SECTION INDEX - TRANSMISSION (21) - TRANSMISSION

Схема запчастей Case IH FARMALL 115C - (21.000.00[01]) - SECTION INDEX - TRANSMISSION (21) - TRANSMISSION
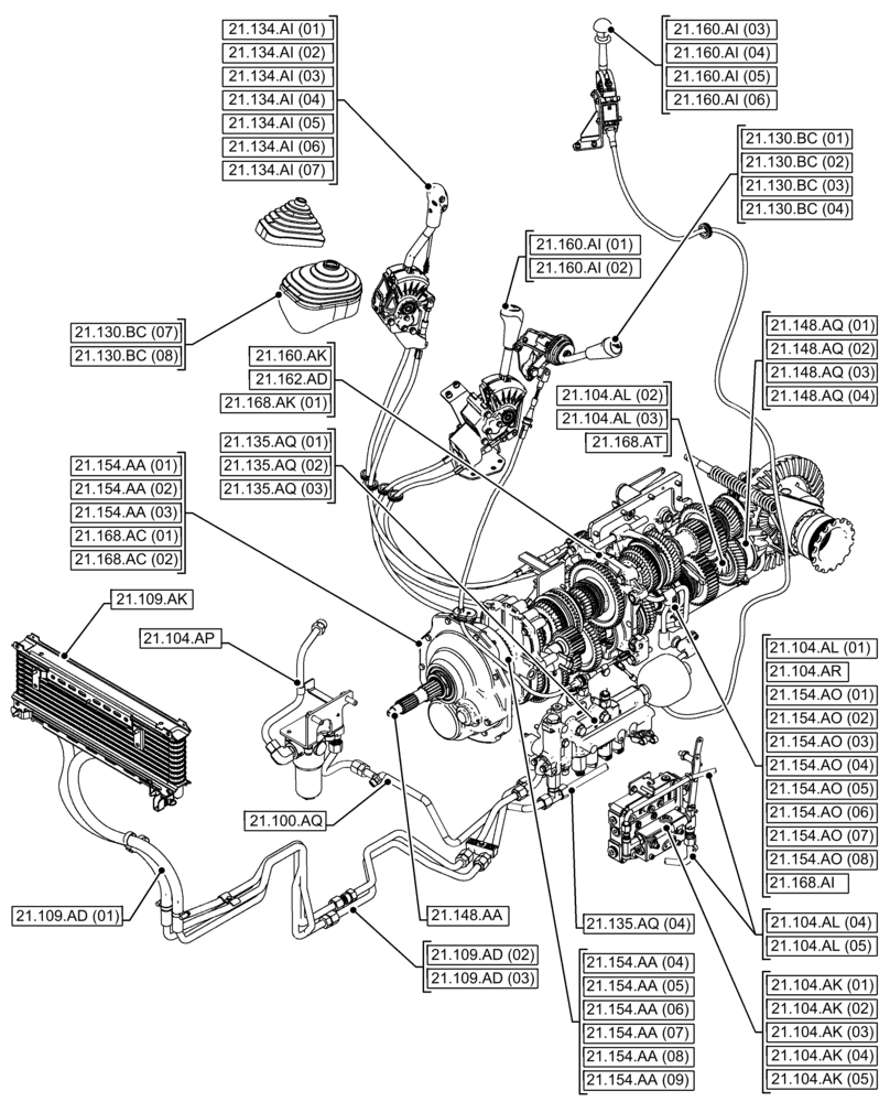
21.135.aq (01)
21.160.ai (05)
21.148.aq (03)
21.148.aq (04)
21.168.ac (01)
21.134.ai (02)
21.134.ai (07)
21.154.ao (03)
21.168.ak (01)
21.154.aa (02)
21.154.aa (09)
21.148.aq (01)
21.104.ap
21.104.al (05)
21.154.aa (08)
21.135.aq (04)
21.130.bc (02)
21.154.aa (06)
21.104.al (02)
21.104.al (01)
21.154.aa (03)
21.100.aq
21.104.ak (01)
21.135.aq (02)
21.160.ai (02)
21.104.ar
21.154.aa (04)
21.104.ak (02)
21.160.ai (03)
21.109.ad (02)
21.104.al (03)
21.130.bc (01)
21.168.ai
21.154.ao (08)
21.160.ak
21.154.aa (01)
21.162.ad
21.109.ak
21.135.aq (03)
21.130.bc (03)
21.109.ad (01)
21.104.al (04)
21.134.ai (03)
21.104.ak (05)
21.154.aa (07)
21.104.ak (03)
21.134.ai (01)
21.154.ao (07)
21.168.at
21.104.ak (04)
21.154.ao (02)
21.148.aq (02)
21.130.bc (04)
21.154.ao (01)
21.134.ai (04)
21.130.bc (08)
21.154.aa (05)
21.160.ai (06)
21.109.ad (03)
21.154.ao (04)
21.154.ao (06)
21.154.ao (05)
21.160.ai (01)
21.160.ai (04)
21.134.ai (05)
21.148.aa
21.134.ai (06)
21.168.ac (02)
21.130.bc (07)
FIT
1:1
100%