Запчасти Case IH FARMALL 115C (90.150.AC[02A]) - VAR - 744588, 743573, 743496, 391606, 336606, 334211, 334183, 334180 - CAB FRAME, FIXED WINDSHIELD, SPARK ARRESTER, ISO - BEGIN YR 01-APR-2014 (90) - PLATFORM, CAB, BODYWORK AND DECALS

Схема запчастей Case IH FARMALL 115C - (90.150.AC[02A]) - VAR - 744588, 743573, 743496, 391606, 336606, 334211, 334183, 334180 - CAB FRAME, FIXED WINDSHIELD, SPARK ARRESTER, ISO - BEGIN YR 01-APR-2014 (90) - PLATFORM, CAB, BODYWORK AND DECALS
90.150.ac (01a)
10
5
11
1
9
12
8
7
4
13
6
2
3
home
FIT
1:1
100%

Артикул

Название

Примечание

Количество

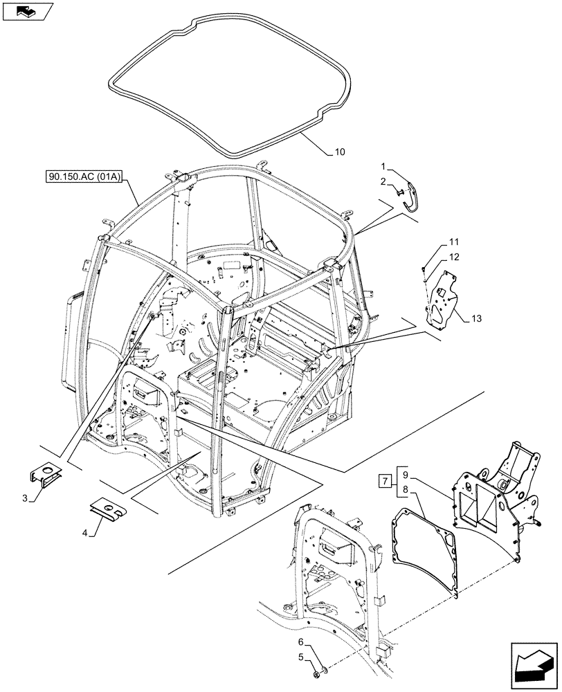
1

84496617

COAT HOOK

1шт.

2

14642791

RIVET,Tr Hd, M4.8 x 12, Aluminum

2шт.

3

14189071

SPRING NUT,M6

M6

1шт.

4

14371774

SPRING NUT,M6, U, 12mm long

21шт.

5

12164721

NUT,M10 x 1.25, Cl 10

8шт.

6

12601470

LOCK WASHER,B10 Wave Spring, 0.50mm ID x 21mm OD x 1mm, HDN

8шт.

7

47360351

SUPPORT

ASSY, Incl 8, 9, Years: -11-MAY-14

1шт.

7

47580769

SUPPORT

ASSY, Incl 8, 9, Start Year: 12-MAY-14

1шт.

8

84535896

GASKET,3mm Thk

1шт.

9

NSS

NOT SOLD SEPARAT

Support, Incl in 7

1шт.

10

47411372

RUBBER SEAL,30mm W x 4530mm L x 20mm Thk

1шт.

11

14306221

HEX SOC SCREW,M8 x 16mm, Cl 8.8, Full Thd

4шт.

12

11197879

BELLEVILLE WASHER,8.4mm ID x 16mm OD x 2.2mm Thk

4шт.

13

47482445

BRACKET

Trim SX

1шт.

Выбрано товаров: 14