Запчасти Case IH FARMALL 115C (90.160.AH[01]) - VAR - 334179, 334180, 334183, 334185, 334211, 336606, 391606, 743496, 743573, 744588 - REAR COVER, W/ CAB (90) - PLATFORM, CAB, BODYWORK AND DECALS

Схема запчастей Case IH FARMALL 115C - (90.160.AH[01]) - VAR - 334179, 334180, 334183, 334185, 334211, 336606, 391606, 743496, 743573, 744588 - REAR COVER, W/ CAB (90) - PLATFORM, CAB, BODYWORK AND DECALS
2
home
90.150.ac (01)
1
FIT
1:1
100%

Артикул

Название

Примечание

Количество

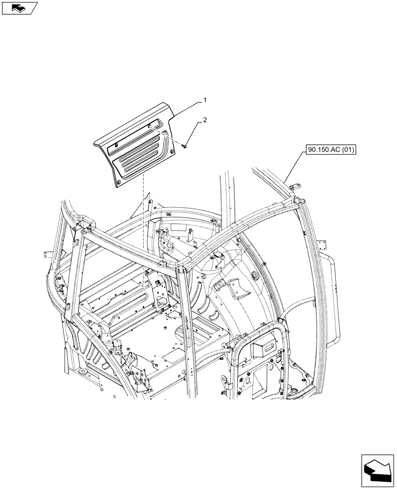
1

84386089

PANEL

REAR

1шт.

2

87682398

SCREW,Torx, Round HD, M6 x 16mm, Cl 10.9

4шт.

Выбрано товаров: 2