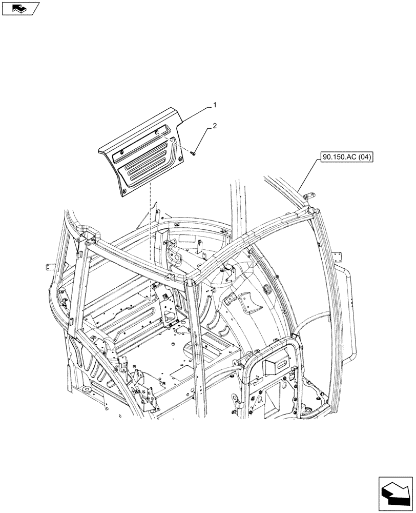
Запчасти Case IH FARMALL 115C (90.160.AH[04]) - VAR - 331606, 334181, 334182, 334184, 334212, 339606 - REAR COVER (HI-LO), W/ CAB (90) - PLATFORM, CAB, BODYWORK AND DECALS

Схема запчастей Case IH FARMALL 115C - (90.160.AH[04]) - VAR - 331606, 334181, 334182, 334184, 334212, 339606 - REAR COVER (HI-LO), W/ CAB (90) - PLATFORM, CAB, BODYWORK AND DECALS
2
1
90.150.ac (04)
home
FIT
1:1
100%

Артикул

Название

Примечание

Количество

1

84386089

PANEL

REAR

1шт.

2

87682398

SCREW,Torx, Round HD, M6 x 16mm, Cl 10.9

4шт.

Выбрано товаров: 0