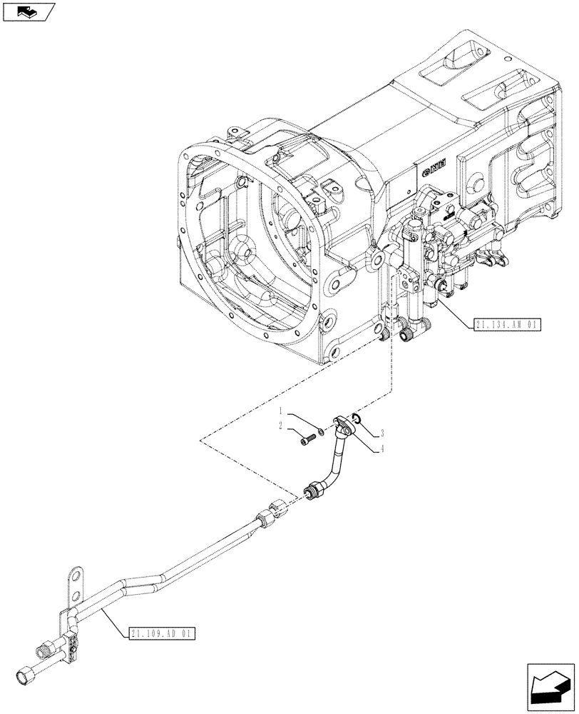
Запчасти Case IH FARMALL 115C (21.109.AC[01]) - VAR - 744762, 744763, 744764 - OIL COOLER - PIPE (21) - TRANSMISSION

Схема запчастей Case IH FARMALL 115C - (21.109.AC[01]) - VAR - 744762, 744763, 744764 - OIL COOLER - PIPE (21) - TRANSMISSION
21.134.am 01
4
3
1
home
21.109.ad 01
2
FIT
1:1
100%

Артикул

Название

Примечание

Количество

1

84365547

WASHER,8.4mm ID x 16mm OD x 2mm Thk

2шт.

2

16043824

SCREW,Hex, M8 x 1.25 x 30mm, Cl 8.8, Full Thd, DAC

2шт.

3

14457180

O-RING,0.103" Thk x 0.549" ID, -113, Cl 5, 75 Duro

1шт.

4

84564273

TUBE

Pressure to Cooler, O-ring not Incl

1шт.

Выбрано товаров: 4