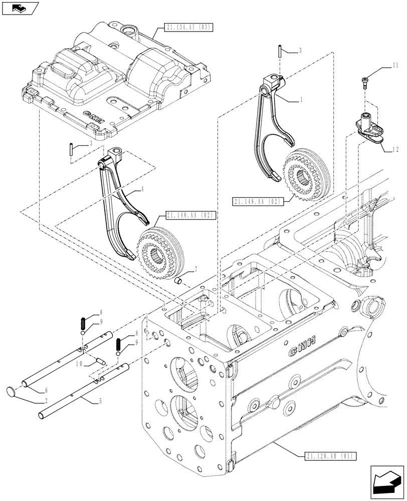
Запчасти Case IH FARMALL 115C (21.145.AG[01]) - VAR - 743552 - TRANSMISSION, ROD & FORKS (HI-LO) (21) - TRANSMISSION

Схема запчастей Case IH FARMALL 115C - (21.145.AG[01]) - VAR - 743552 - TRANSMISSION, ROD & FORKS (HI-LO) (21) - TRANSMISSION
4
8
21.148.aa (02)
9
5
21.134.ai (03)
12
10
3
9
7
home
6
21.148.aa (02)
3
8
2
21.120.ab (01)
11
1
FIT
1:1
100%

Артикул

Название

Примечание

Количество

1

84480675

FORK

3-4 Speed for 40 Km/H

1шт.

2

10158801

PLUG,M20, Tapered, Stainless

1шт.

3

13907770

ROLL PIN,M5 x 32, Coiled

2шт.

4

84480572

FORK

1-2 Speed

1шт.

5

84528704

ROD

3-4 Speed

1шт.

6

84528703

ROD

1-2 Speed

1шт.

7

10275501

PLUG,Pipe, Hex Skt, M12 x 1.25 x 11mm, Cl 4.8

1шт.

8

4994342

SPRING,8mm OD x 30mm OAL

2шт.

9

20063390

BALL,8.73mm OD

2шт.

10

5110264

PAWL,8.5mm OD x 26.5mm L

1шт.

11

84481647

SCREW

2шт.

12

84532162

ACTUATOR

1шт.

Выбрано товаров: 12