Запчасти Case IH FARMALL 115C (21.148.AH[01]) - DRIVE GEAR SHAFT, GEAR, BEARING (21) - TRANSMISSION

Схема запчастей Case IH FARMALL 115C - (21.148.AH[01]) - DRIVE GEAR SHAFT, GEAR, BEARING (21) - TRANSMISSION
9
4
2
7
3
21.148.ac (01)
5
21.148.aa (01)
8
6
home
1
FIT
1:1
100%

Артикул

Название

Примечание

Количество

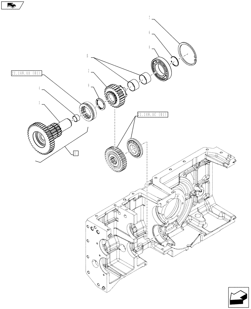
1

5176778

SHAFT

ASSY, Incl 3 - 4

1шт.

2

5131169

GEAR

1шт.

3

NSS

NOT SOLD SEPARAT

Shaft, Incl in 1

1шт.

4

4950081

BUSHING,25.08mm ID x 28.53mm OD x 18mm L

1шт.

5

5109747

NEEDLE BEARING,42mm ID x 47mm OD x 27mm W

2шт.

6

5117076

CIRCLIP,M47, Ext

D= 47 mm

1шт.

7

11075476

SNAP RING,M110, Int

D= 110 mm

1шт.

8

20141040

BALL BEARING,60mm ID x 110mm OD x 22mm W

D= 60 x 110 x 22 mm

1шт.

9

5182075

WASHER,42.13mm ID x 56mm OD x 4mm Thk

1шт.

Выбрано товаров: 9