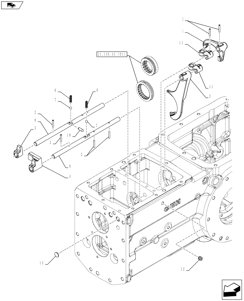
Запчасти Case IH FARMALL 115C (21.148.AK[02]) - VAR - 744764 - TRANSMISSION, ROD & FORKS (POWER SHUTTLE) (21) - TRANSMISSION

Схема запчастей Case IH FARMALL 115C - (21.148.AK[02]) - VAR - 744764 - TRANSMISSION, ROD & FORKS (POWER SHUTTLE) (21) - TRANSMISSION
9
2
2
6
8
2
11
5
11
7
home
6
3
4
10
7
2
13
12
1
21.148.aa (01)
FIT
1:1
100%

Артикул

Название

Примечание

Количество

1

5125822

SHIFTER FORK

Normal range shifter

1шт.

2

13907770

ROLL PIN,M5 x 32, Coiled

D= 5 x 32 mm

4шт.

3

5125823

SHIFTER FORK

High range shifter

1шт.

4

84474585

DOG

1шт.

5

84474590

SUPPORT

1шт.

6

4994342

SPRING,8mm OD x 30mm OAL

2шт.

7

20063390

BALL,8.73mm OD

2шт.

8

84478162

ROD

1шт.

9

84478161

ROD

1шт.

10

5110264

PAWL,8.5mm OD x 26.5mm L

1шт.

11

84547179

DOG

2шт.

12

10275501

PLUG,Pipe, Hex Skt, M12 x 1.25 x 11mm, Cl 4.8

M12 x 1.25 x 11 mm

1шт.

13

10158801

PLUG,M20, Tapered, Stainless

D= 20 x 2 mm

1шт.

Выбрано товаров: 0