Запчасти Case IH FARMALL 115C (21.162.AB[01]) - REVERSER, MECHANICAL, SUPPORT, CABLE (21) - TRANSMISSION

Схема запчастей Case IH FARMALL 115C - (21.162.AB[01]) - REVERSER, MECHANICAL, SUPPORT, CABLE (21) - TRANSMISSION
4
5
7
home
6
14
4
8
10
11
2
13
9
12
3
5
1
FIT
1:1
100%

Артикул

Название

Примечание

Количество

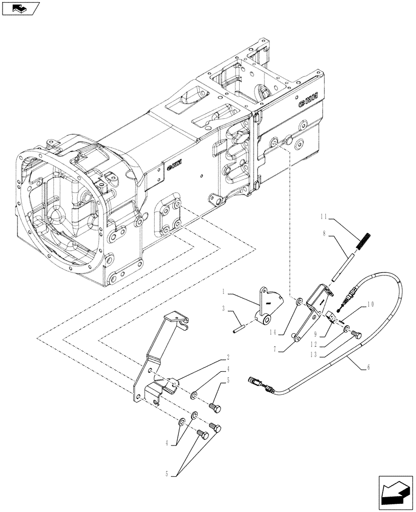
1

47388514

CONTROL LEVER

1шт.

2

47388524

BRACKET

1шт.

3

14607270

LOCK PIN,M8 x 40, Slotted

1шт.

4

11194174

BELLEVILLE WASHER,M14 Bolt Size x 27mm OD x 3mm Thk

3шт.

5

11422324

BOLT,Hex, M14 x 1.5 x 30mm, Cl 8.8

3шт.

6

47388636

CABLE,1158mm L

1шт.

7

87342315

BRACKET

1шт.

8

87342321

PIN

1шт.

9

87342320

BLOCK

1шт.

10

14162074

LOCK PIN,M3 x 22, Slotted

1шт.

11

87363968

SPRING

1шт.

12

14496724

WASHER,13mm ID x 24mm OD x 2.5mm Thk

1шт.

13

15540324

SCREW,Hex, M12 x 1.25 x 25mm, Cl 8.8, Full Thd

1шт.

14

87342317

SPACER

1шт.

Выбрано товаров: 14