Запчасти Case IH FARMALL 115C (31.110.AI[03]) - VAR - 743565 - PTO 540 RPM - HYDRAULIC, CASING (31) - IMPLEMENT POWER TAKE OFF

Схема запчастей Case IH FARMALL 115C - (31.110.AI[03]) - VAR - 743565 - PTO 540 RPM - HYDRAULIC, CASING (31) - IMPLEMENT POWER TAKE OFF
15
10.ar (02)
4
6
11
10.ak (02)
16
b
1
1
(02)
9
8
11
10.ai (04)
31.
1
14
16
11
5
10
31.
3
8
31.
10.a
1
17
6
13
31.
2
home
7
12
FIT
1:1
100%

Артикул

Название

Примечание

Количество

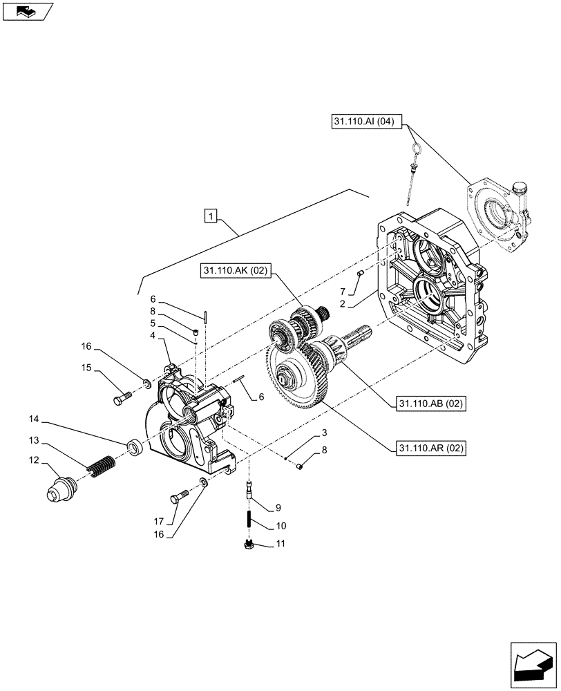
1

84135262

SUPPORT

ASSY, Incl 2-11

1шт.

2

NSS

NOT SOLD SEPARAT

Casing, Incl in 1

1шт.

3

5189186

RESTRICTOR VALVE,M8 x 1.25 x 5.3mm, Cl 8.8

1шт.

4

NSS

NOT SOLD SEPARAT

Bearing support, Incl in 1

1шт.

5

5193270

ORIFICE,M6 x 1 x 4mm, Cl 8.8

1шт.

6

10269150

PLUG,M6 x 1 x 60mm L

2шт.

7

10839710

DOWEL,M10 x 15.00mm

2шт.

8

14326001

PLUG,Hex Skt, M10 x 1.25 x 11mm, Cl 4.8

2шт.

9

5194481

PISTON

1шт.

10

5166012

SPRING,Compression, 7.5mm OD x 57mm L

1шт.

11

5180551

PLUG

1шт.

12

5197632

CAP

1шт.

13

5137481

SPRING,Compression, 32mm OD x 122mm L

1шт.

14

5137480

PISTON,40mm OD

1шт.

15

15540921

SCREW,Hex, M12 x 1.25 x 55mm, Cl 8.8

1шт.

16

11190779

BELLEVILLE WASHER,M12 Bolt Size x 24mm OD x 2.8mm Thk

4шт.

17

15540621

SCREW,Hex, M12 x 1.25 x 40mm, Cl 8.8, Full Thd

3шт.

Выбрано товаров: 17