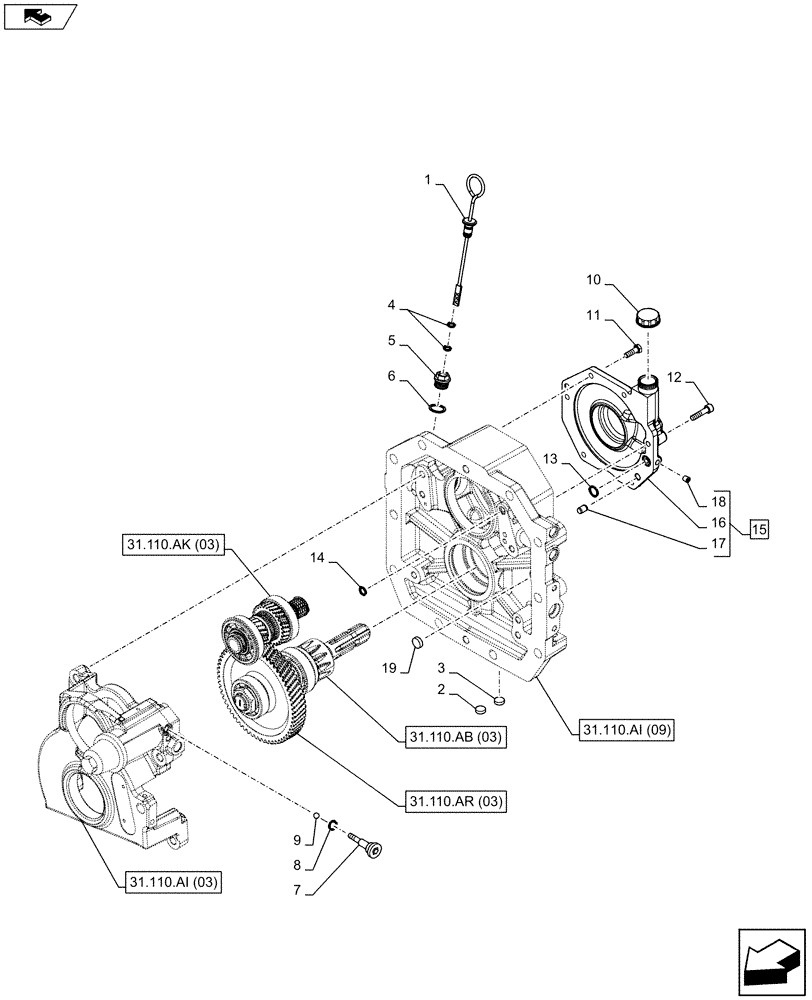
Запчасти Case IH FARMALL 115C (31.110.AI[10]) - VAR - 743565 - PTO 540 RPM - HYDRAULIC, CASING, OIL FILL & DIPSTICK (31) - IMPLEMENT POWER TAKE OFF

Схема запчастей Case IH FARMALL 115C - (31.110.AI[10]) - VAR - 743565 - PTO 540 RPM - HYDRAULIC, CASING, OIL FILL & DIPSTICK (31) - IMPLEMENT POWER TAKE OFF
2
8
home
12
31.110.ak (03)
home
10
3
31.110.ai (09)
14
31.110.ar (03)
13
17
7
11
5
31.110.ai (03)
1
31.110.ab (03)
19
15
4
9
18
16
6
FIT
1:1
100%

Артикул

Название

Примечание

Количество

1

47522196

DIPSTICK,224mm L

ASSY

1шт.

2

14328701

PLUG,M20, Tapered

1шт.

3

14328501

PLUG,M16, Tapered

1шт.

4

14452880

O-RING,0.07" Thk x 0.301" ID, -11, Cl 5, 75 Duro

Bearing support

2шт.

5

5169718

PLUG,M22 x 1.5

1шт.

6

10263460

SEAL,22.3mm ID x 28mm OD x 1.5mm Thk

1шт.

7

5183078

PLUG

1шт.

8

14437685

O-RING,9.30mm ID x 2.40mm

1шт.

9

20063470

BALL,7.9mm OD

1шт.

10

5180916

GASKET,35mm ID x 52mm OD x 7mm Thk

1шт.

11

16043624

SCREW,Hex, M8 x 1.25 x 25mm, Cl 8.8, Full Thd

3шт.

12

14306624

HEX SOC SCREW,M8 x 1.25 x 35mm, Cl 8.8, Full Thd

1шт.

13

14453380

O-RING,0.07" Thk x 0.614" ID, -16, Cl 5, 75 Duro

1шт.

14

14456880

O-RING,0.103" Thk x 0.362" ID, -110, Cl 5, 75 Duro

1шт.

15

84470321

COVER

1шт.

16

84470320

COVER

1шт.

17

10839710

DOWEL,M10 x 15.00mm

2шт.

18

14326004

PLUG,Hex Socket, M10 x 1.25 x 11.00mm, STL, DAC

1шт.

19

14328601

PLUG,M18, Tapered

1шт.

Выбрано товаров: 19