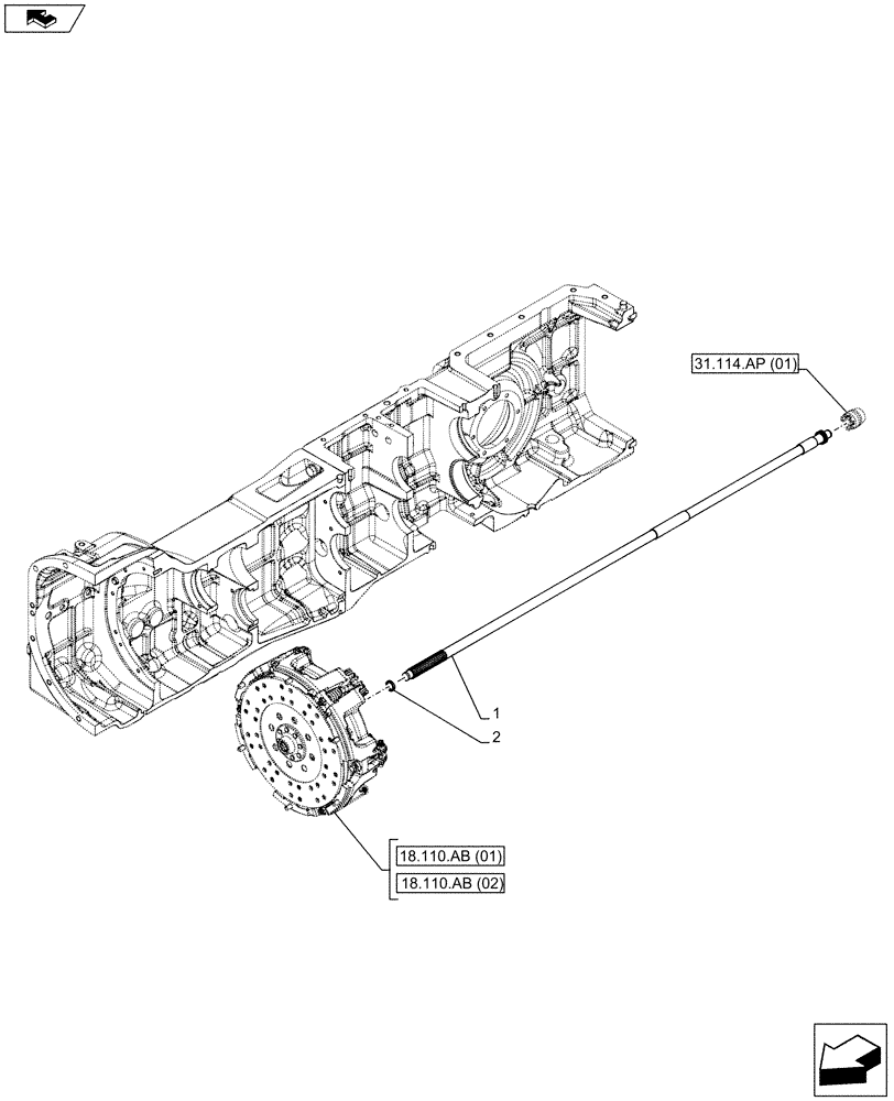
Запчасти Case IH FARMALL 115C (31.114.AD[01]) - VAR - 743566 - PTO 540-540E RPM, MECHANICAL, SHAFT, FRONT, W/O CAB (31) - IMPLEMENT POWER TAKE OFF

Схема запчастей Case IH FARMALL 115C - (31.114.AD[01]) - VAR - 743566 - PTO 540-540E RPM, MECHANICAL, SHAFT, FRONT, W/O CAB (31) - IMPLEMENT POWER TAKE OFF
18.110.ab (02)
18.110.ab (01)
31.114.ap (01)
2
1
home
FIT
1:1
100%

Артикул

Название

Примечание

Количество

1

87339480

SHAFT

1шт.

2

47396400

SPACER,16.95mm ID x 21mm OD x 5mm L

1шт.

Выбрано товаров: 2