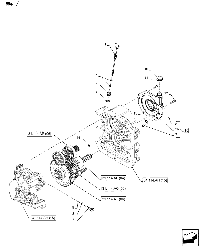
Запчасти Case IH FARMALL 115C (31.114.AH[16]) - VAR - 743594 - PTO 540/1000 RPM, HYDRAULIC, CASING, OIL FILL & DIPSTICK - ISO (31) - IMPLEMENT POWER TAKE OFF

Схема запчастей Case IH FARMALL 115C - (31.114.AH[16]) - VAR - 743594 - PTO 540/1000 RPM, HYDRAULIC, CASING, OIL FILL & DIPSTICK - ISO (31) - IMPLEMENT POWER TAKE OFF
31.114.at (06)
10
31.114.ao (06)
31.114.ah (15)
31.114.ah (15)
5
3
13
15
2
home
8
4
1
31.114.ap (06)
14
12
9
11
home
6
16
7
31.114.af (04)
FIT
1:1
100%

Артикул

Название

Примечание

Количество

1

47522196

DIPSTICK,224mm L

ASSY

1шт.

2

14326004

PLUG,Hex Socket, M10 x 1.25 x 11.00mm, STL, DAC

1шт.

3

10839710

DOWEL,M10 x 15.00mm

2шт.

4

14452880

O-RING,0.07" Thk x 0.301" ID, -11, Cl 5, 75 Duro

2шт.

5

5169718

PLUG,M22 x 1.5

1шт.

6

10263460

SEAL,22.3mm ID x 28mm OD x 1.5mm Thk

1шт.

7

5183078

PLUG

1шт.

8

14437685

O-RING,9.30mm ID x 2.40mm

1шт.

9

20419310

BALL

1шт.

10

5180946

FILLER CAP,M32 x 1.5

1шт.

11

16043624

SCREW,Hex, M8 x 1.25 x 25mm, Cl 8.8, Full Thd

3шт.

12

14306624

HEX SOC SCREW,M8 x 1.25 x 35mm, Cl 8.8, Full Thd

1шт.

13

14453380

O-RING,0.07" Thk x 0.614" ID, -16, Cl 5, 75 Duro

1шт.

14

14456880

O-RING,0.103" Thk x 0.362" ID, -110, Cl 5, 75 Duro

1шт.

15

84470321

COVER

ASSY, Incl 2,3,16

1шт.

16

84470320

COVER

1шт.

Выбрано товаров: 16