Запчасти Case IH FARMALL 115C (31.114.AP[01]) - VAR - 743566 - PTO 540-540E RPM, MECHANICAL, DRIVE GEAR SHAFT, W/O CAB (31) - IMPLEMENT POWER TAKE OFF

Схема запчастей Case IH FARMALL 115C - (31.114.AP[01]) - VAR - 743566 - PTO 540-540E RPM, MECHANICAL, DRIVE GEAR SHAFT, W/O CAB (31) - IMPLEMENT POWER TAKE OFF
4
31.
1
1
14.ao (01)
31.
(01)
t
6
31.
1
31.
2
5
14.
home
31.
3
7
14.ah (01)
8
1
a
1
14.ab (01)
2
1
14.ah (01)
FIT
1:1
100%

Артикул

Название

Примечание

Количество

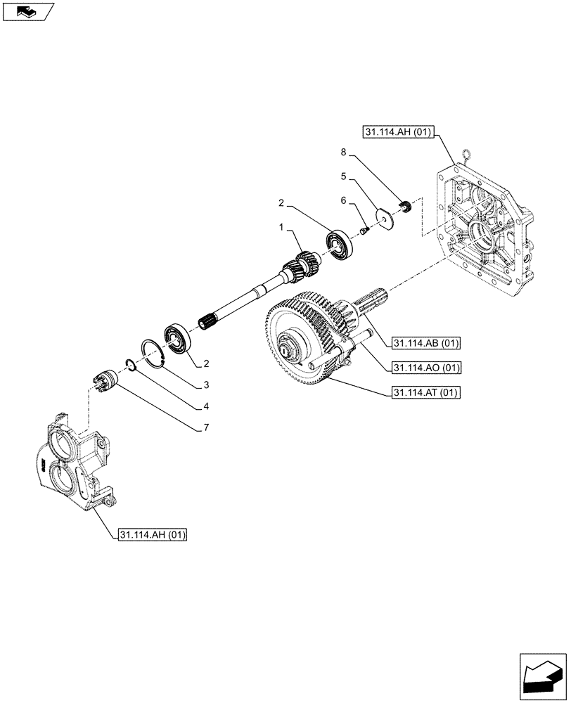
1

87578800

SHAFT

Drive

1шт.

2

20943310

BALL BEARING,40mm ID x 90mm OD x 23mm W

2шт.

3

11062476

SNAP RING,M90, Int

1шт.

4

11068376

SNAP RING,M35, Ext x 1.5 Thk

1шт.

5

47131175

BRAKE DISC,14mm ID x 70mm OD x 4mm Thk

1шт.

6

47130774

PIN,13.5mm OD x 22mm L

1шт.

7

5198038

SLEEVE,12T

1шт.

8

47127604

SPRING,Compression, 31mm OD x 33.3mm L

1шт.

Выбрано товаров: 8