Запчасти Case IH FARMALL 115C (31.114.AP[06]) - VAR - 743594 - PTO 540/1000 RPM, HYDRAULIC, DRIVE GEAR SHAFT - ISO (31) - IMPLEMENT POWER TAKE OFF

Схема запчастей Case IH FARMALL 115C - (31.114.AP[06]) - VAR - 743594 - PTO 540/1000 RPM, HYDRAULIC, DRIVE GEAR SHAFT - ISO (31) - IMPLEMENT POWER TAKE OFF
home
4
31.114.ad (06)
31.114.ah (15)
31.114.af (04)
8
2
31.114.ao (06)
1
6
2
3
31.114.at (06)
31.114.ah (15)
7
5
FIT
1:1
100%

Артикул

Название

Примечание

Количество

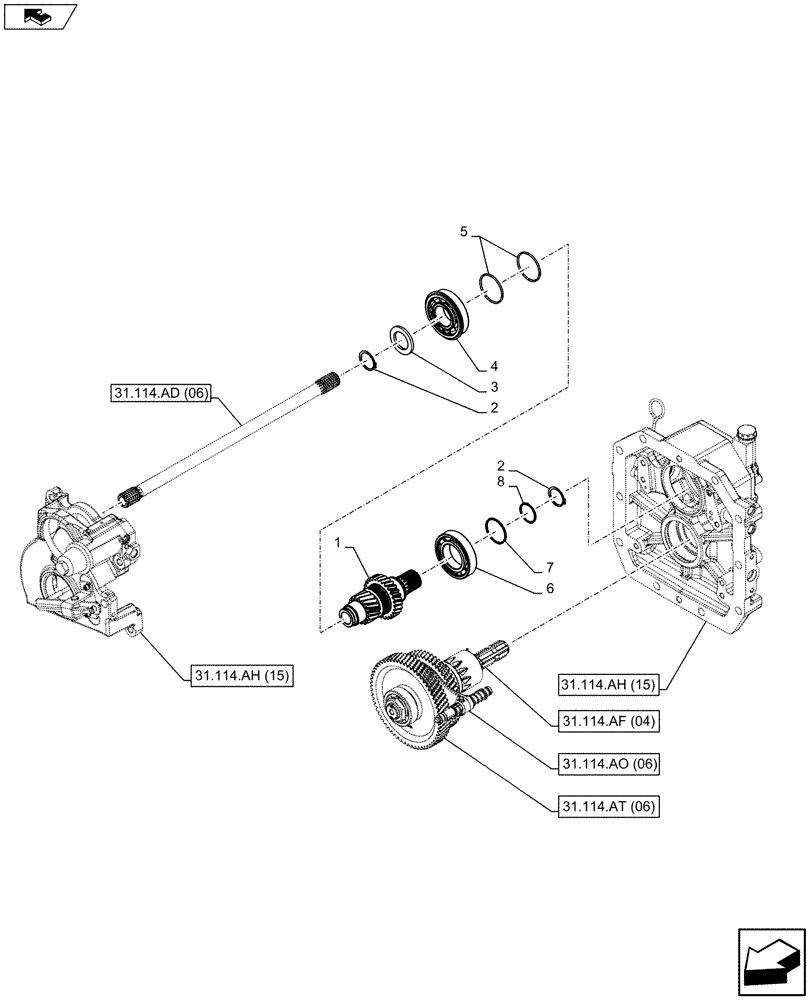
1

84492914

PTO SHAFT

Drive

1шт.

2

11068876

SNAP RING,M40, Ext

2шт.

3

4996869

THRUST WASHER,40.1mm ID x 62mm OD x 5mm Thk

1шт.

4

28995900

BALL BEARING,45mm ID x 100mm OD x 25mm W

D= 45 x 100 x 25 mm

1шт.

5

5175996

RETAINER

2шт.

6

20973340

BALL BEARING,55.00mm x 100.00mm x 21.00mm

1шт.

7

14455080

O-RING,50.52mm ID x 1.78mm

1шт.

8

14454680

O-RING,1.489" ID x 0.07" Width

1шт.

Выбрано товаров: 8