Запчасти Case IH FARMALL 115C (31.116.AB[02]) - VAR - 743768 - PTO 540/540E/1000 RPM, HIDRAULIC, HIDRAULIC, DRIVEN SHAFT (31) - IMPLEMENT POWER TAKE OFF

Схема запчастей Case IH FARMALL 115C - (31.116.AB[02]) - VAR - 743768 - PTO 540/540E/1000 RPM, HIDRAULIC, HIDRAULIC, DRIVEN SHAFT (31) - IMPLEMENT POWER TAKE OFF
1
16.af (02)
16.ag (07)
31.
2
1
9
31.
31.
16.ak (04)
1
1
5
1
4
7
16.ag (07)
6
16.ak (04)
10
7
31.
31.
1
home
3
31.
l (02)
1
4
16.a
8
FIT
1:1
100%

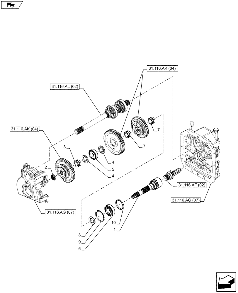
Артикул

Название

Примечание

Количество

1

5198354

SHAFT

Driven

1шт.

2

5100183

LOCK NUT,Hex, M328 x 1.5, Cl 8.8

1шт.

3

5162787

RING RACE

1шт.

4

5162811

THRUST WASHER,35.1mm ID x 62mm OD x 6.5mm Thk

2шт.

5

20045200

BALL BEARING,35mm ID x 80mm OD x 21mm

1шт.

6

20943310

BALL BEARING,40mm ID x 90mm OD x 23mm W

1шт.

7

5101537

BUSHING,39.2mm ID x 50mm OD x 29.04mm L

2шт.

8

5109656

THRUST WASHER,39.25mm ID x 64mm OD x 4mm Thk

1шт.

9

11062476

SNAP RING,M90, Int

1шт.

10

5165976

OIL SEAL,60mm ID x 80mm OD x 10mm Thk

1шт.

Выбрано товаров: 10