Запчасти Case IH FARMALL 115C (31.116.AK[04]) - VAR - 743768 - PTO 540/540E/1000 RPM, HYDRAULIC, DRIVEN GEAR (31) - IMPLEMENT POWER TAKE OFF

Схема запчастей Case IH FARMALL 115C - (31.116.AK[04]) - VAR - 743768 - PTO 540/540E/1000 RPM, HYDRAULIC, DRIVEN GEAR (31) - IMPLEMENT POWER TAKE OFF
16.ag (07)
31.
16.ab
16.a
1
1
l (02)
16.ab
1
1
31.
1
31.
16.ab
31.
4
2
16.ag (07)
31.
2
3
16.ab
31.
1
31.
1
6
home
16.ab
5
1
1
31.
FIT
1:1
100%

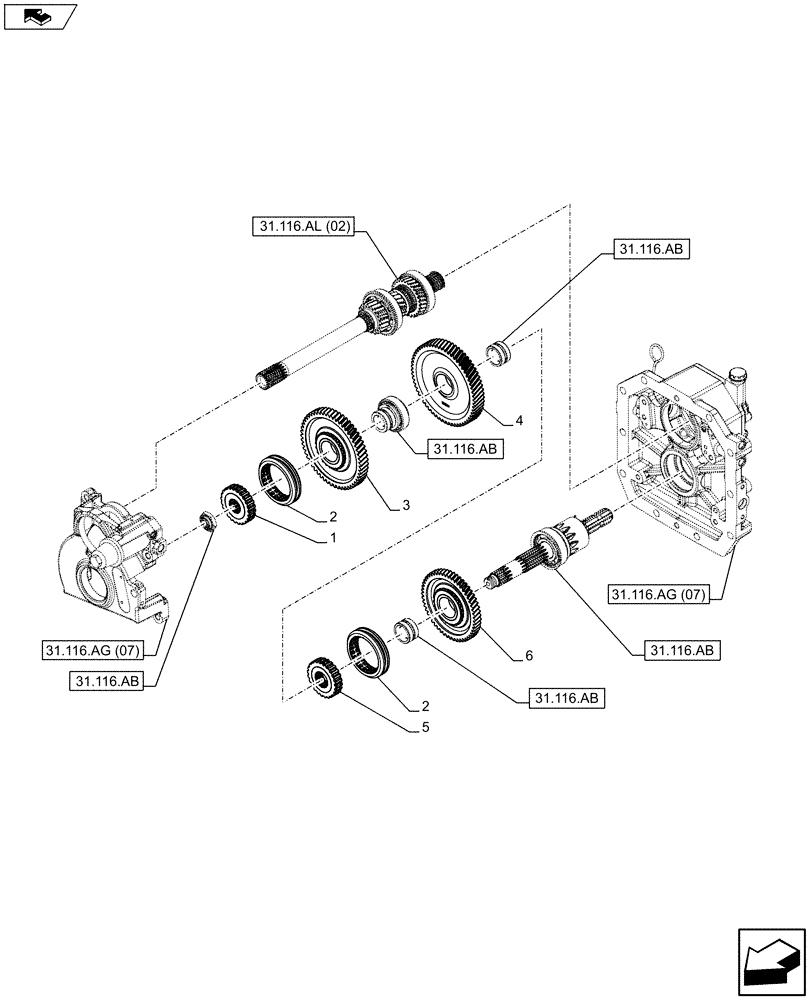
Артикул

Название

Примечание

Количество

1

5162794

GEAR,12T Internal / 24T External

1шт.

2

5129513

SYNCHRONIZER,24T

2шт.

3

47124071

GEAR,54T

Driven

1шт.

4

84483099

GEAR,24T/ 61T

Driven

1шт.

5

5129512

SLEEVE,24T, 14T

1шт.

6

84483100

GEAR,52T/ 90T

Driven

1шт.

Выбрано товаров: 6