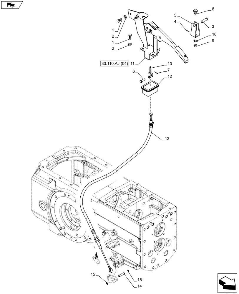
Запчасти Case IH FARMALL 115C (33.110.AJ[03]) - VAR - 331606, 334181, 334182, 334184, 334212, 339606 - HAND BRAKE, W/ CAB (33) - BRAKES & CONTROLS

Схема запчастей Case IH FARMALL 115C - (33.110.AJ[03]) - VAR - 331606, 334181, 334182, 334184, 334212, 339606 - HAND BRAKE, W/ CAB (33) - BRAKES & CONTROLS
6
home
9
15
8
15
3
33.110.aj (04)
11
14
1
4
13
10
7
2
16
2
5
12
1
FIT
1:1
100%

Артикул

Название

Примечание

Количество

1

86980379

BOLT,Hex, M8 x 1.25 x 20mm, Cl 8.8

3шт.

2

10519604

WASHER,8.15mm ID x 17mm OD x 2mm Thk

5шт.

3

83902558

PIN,3/8" x 1.312"

1шт.

4

81813880

COTTER PIN,3/32" x 3/4"

1шт.

5

84339996

CLEVIS

1шт.

6

86639013

CLEVIS PIN,8mm OD x 25mm L

1шт.

7

10734201

COTTER PIN,M2 x 12

1шт.

8

84386747

NUT,Hex, M8 x 1.25, Cl 8.8

1шт.

9

16100811

NUT,Hex, M8, 6.80mm, Cl 8, ZND

1шт.

10

84493735

FORK,M8 x 1.25

1шт.

11

47383882

BRAKE LEVER

1шт.

12

84335589

PLUG

1шт.

13

47383886

THROTTLE CONTROL

1шт.

14

47134179

PIN,8mm OD x 38mm L

1шт.

15

11065676

SNAP RING,M8, Ext

2шт.

16

11066276

SNAP RING,M14, Ext

1шт.

Выбрано товаров: 16