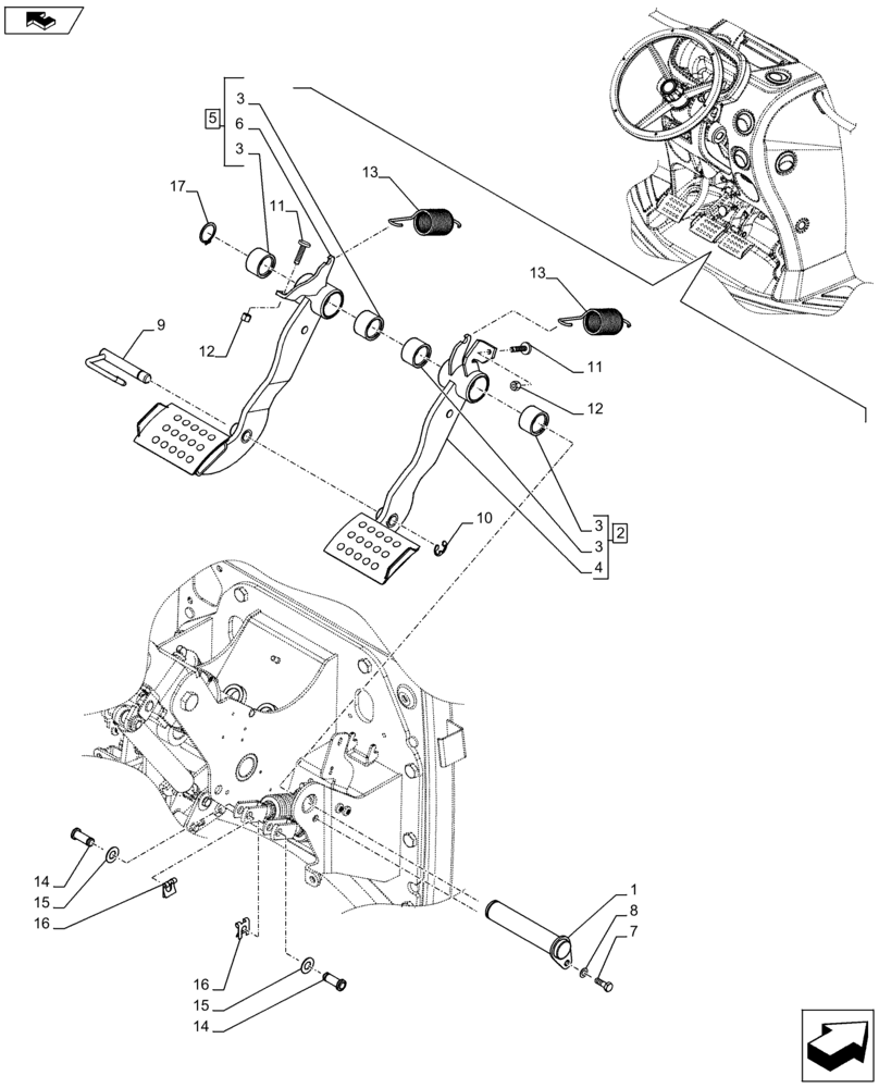
Запчасти Case IH FARMALL 115C (33.202.BN[02A]) - VAR - 391606, 743573, 743496, 334179, 334180, 334183, 334185, 334211, 744588, 336606 - BRAKES, PEDAL - BEGIN YR 03-MAY-2014 (33) - BRAKES & CONTROLS

Схема запчастей Case IH FARMALL 115C - (33.202.BN[02A]) - VAR - 391606, 743573, 743496, 334179, 334180, 334183, 334185, 334211, 744588, 336606 - BRAKES, PEDAL - BEGIN YR 03-MAY-2014 (33) - BRAKES & CONTROLS
16
14
13
11
home
8
11
6
10
14
9
3
1
2
15
3
3
4
15
3
17
12
13
5
12
7
16
FIT
1:1
100%

Артикул

Название

Примечание

Количество

1

84591943

ROD

1шт.

2

84390504

PEDAL

ASSY, Incl 3, 4

1шт.

3

5097550

BUSHING,25.4mm ID x 38mm OD x 22mm L

2шт.

4

NSS

NOT SOLD SEPARAT

Pedal, Incl in 2

1шт.

5

84390508

PEDAL

ASSY, Incl 3, 6

1шт.

7

10902321

SCREW,Hex, M6 x 18mm, Cl 8.8, Full Thd

1шт.

6

NSS

NOT SOLD SEPARAT

Pedal, Incl in 5

1шт.

8

12601274

WAVE WASHER,6.40mm ID x 12mm OD x 0.50mm, 2.60mm H, STL, DAC

1шт.

9

84392817

PIN,12mm OD x 80mm L

1шт.

10

11088180

CIRCLIP,M11, Stainless

1шт.

11

84280664

SCREW,M6 x 26mm L

2шт.

12

12574211

NUT,M6 x 1, Cl 8

2шт.

13

84393252

SPRING,Extension, 26mm OD, 126mm L

2шт.

14

84474043

PIN,8mm OD x 30mm L

2шт.

15

12601474

WAVE WASHER,Wave, 10.50mm ID x 21.00mm OD x 0.80mm, 3.00mm, CST, DAC

2шт.

16

11064176

CLIP,M10 x 8mm

2шт.

17

11067371

CIRCLIP,M25

1шт.

Выбрано товаров: 17