Запчасти Case IH FARMALL 115C (35.204.BJ[01]) - VAR - 743569 – REMOTE CONTROL VALVE, PIPE - ISO (35) - HYDRAULIC SYSTEMS

Схема запчастей Case IH FARMALL 115C - (35.204.BJ[01]) - VAR - 743569 – REMOTE CONTROL VALVE, PIPE - ISO (35) - HYDRAULIC SYSTEMS
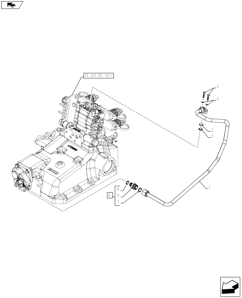
4
6
9
2
8
1
7
35.204.be (01)
home
3
5
FIT
1:1
100%

Артикул

Название

Примечание

Количество

1

47401866

TUBE

Delivery HPL MDC

1шт.

2

44015841

BACK-UP RING,19mm ID x 20mm OD x 2.05mm Thk

1шт.

3

14457180

O-RING,0.103" Thk x 0.549" ID, -113, Cl 5, 75 Duro

1шт.

4

11197774

BELLEVILLE WASHER,M6 Bolt Size x 12mm OD x 1.2mm Thk

2шт.

5

10902724

SCREW,Hex, M6 x 28mm, Cl 8.8, Full Thd

2шт.

6

86579679

HYD CONNECTOR,1"-14 ORFS x M18 x 1.5 ORB

ASSY, Incl 7 - 9

1шт.

7

9992069

O-RING,0.07" Thk x 0.614" ID, -16, Cl 6, 90 Duro

Incl in 6

1шт.

8

86598101

O-RING,2.2mm Thk x 15.3mm ID, Cl 6, 90 Duro

Incl in 6

1шт.

9

NSS

NOT SOLD SEPARAT

Fitting, Incl in 6

1шт.

Выбрано товаров: 9