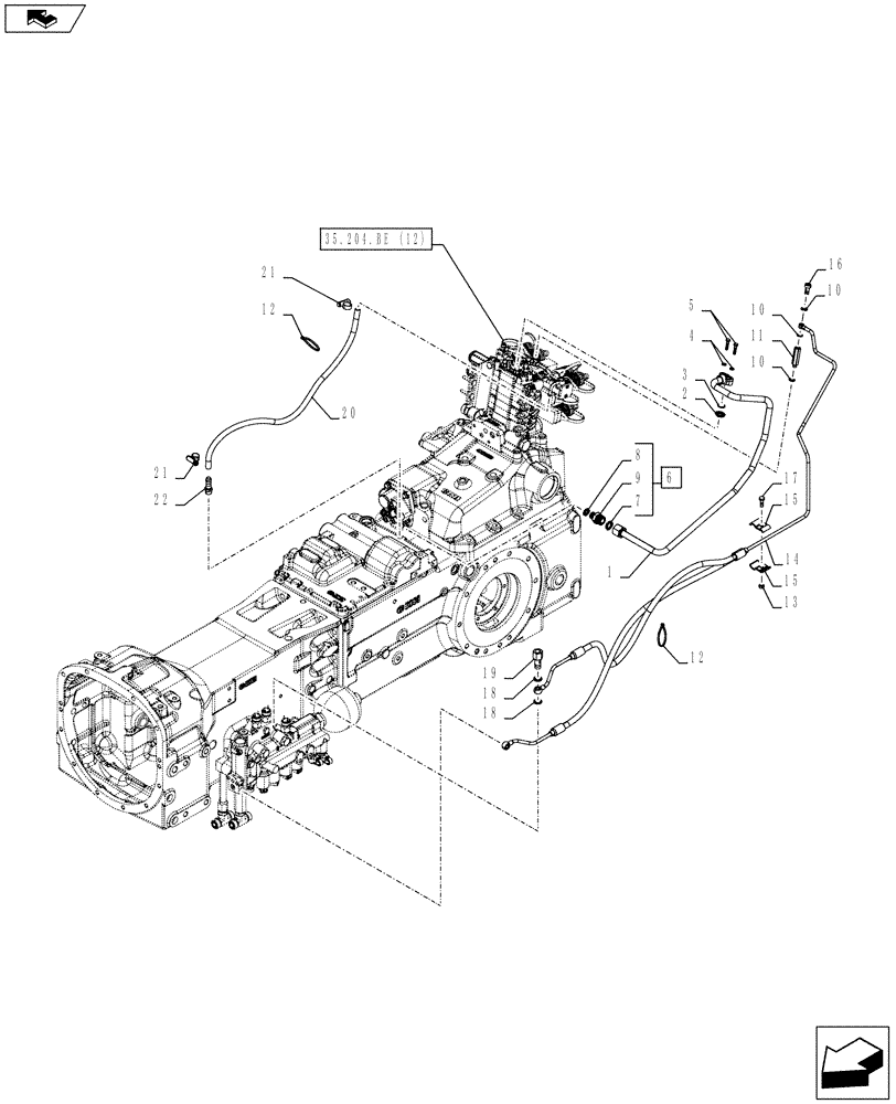
Запчасти Case IH FARMALL 115C (35.204.BJ[07]) - VAR - 743570 – REMOTE CONTROL VALVE, PIPE - ISO (35) - HYDRAULIC SYSTEMS

Схема запчастей Case IH FARMALL 115C - (35.204.BJ[07]) - VAR - 743570 – REMOTE CONTROL VALVE, PIPE - ISO (35) - HYDRAULIC SYSTEMS
11
15
8
7
9
22
4
home
15
18
17
20
3
21
35.204.be (12)
6
12
1
10
12
2
14
19
16
10
5
13
10
18
21
FIT
1:1
100%

Артикул

Название

Примечание

Количество

1

47401864

TUBE

Delivery HPL MDC

1шт.

2

44015841

BACK-UP RING,19mm ID x 20mm OD x 2.05mm Thk

1шт.

3

14457180

O-RING,0.103" Thk x 0.549" ID, -113, Cl 5, 75 Duro

1шт.

4

11197774

BELLEVILLE WASHER,M6 Bolt Size x 12mm OD x 1.2mm Thk

2шт.

5

10902724

SCREW,Hex, M6 x 28mm, Cl 8.8, Full Thd

2шт.

6

86579679

HYD CONNECTOR,1"-14 ORFS x M18 x 1.5 ORB

ASSY, Incl 7 - 9

1шт.

7

9992069

O-RING,0.07" Thk x 0.614" ID, -16, Cl 6, 90 Duro

Incl in 6

1шт.

8

86598101

O-RING,2.2mm Thk x 15.3mm ID, Cl 6, 90 Duro

Incl in 6

1шт.

9

NSS

NOT SOLD SEPARAT

Fitting, Incl in 6

1шт.

10

10260060

SEALING WASHER,8.2mm ID x 14mm OD x 1mm Thk

3шт.

11

5179506

PROP,M8 x 1.25

1шт.

12

14560187

COLLAR,199mm L

2шт.

13

15896214

NUT,M6, Cl 8

1шт.

14

47367793

HYD TUBE

Pilot Div. Remotes

1шт.

15

47368419

CLAMP

2шт.

16

5175070

BANJO BOLT,M8 x 1.25 x 24mm

1шт.

17

10902420

SCREW,Hex, M6 x 20mm, Cl 8.8, Full Thd

1шт.

18

5183780

SEALING WASHER,9.73mm ID x 18mm OD x 1.5mm Thk

2шт.

19

84490382

HYD CONNECTOR

1шт.

20

47422888

PIPE,8mm ID x 683mm L, SAE 100R6

Diverter Drain

1шт.

21

13000290

HOSE CLAMP,12mm - 18mm, Worm Gear

2шт.

22

47422890

FITTING

1шт.

Выбрано товаров: 22