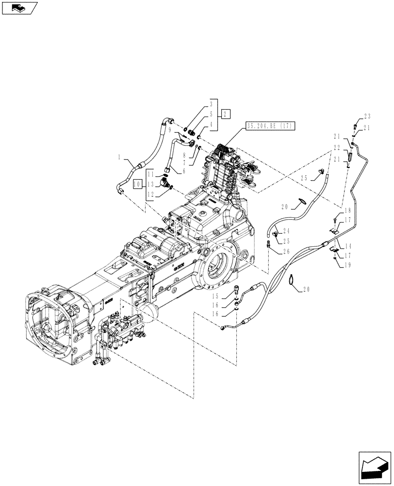
Запчасти Case IH FARMALL 115C (35.204.BJ[11]) - REMOTE CONTROL VALVE, PIPE (HI – LO) (35) - HYDRAULIC SYSTEMS

Схема запчастей Case IH FARMALL 115C - (35.204.BJ[11]) - REMOTE CONTROL VALVE, PIPE (HI – LO) (35) - HYDRAULIC SYSTEMS
9
7
12
5
20
21
4
35.204.be (17)
6
20
25
15
16
22
8
3
14
13
19
21
2
26
home
10
16
17
24
18
25
23
17
21
1
11
FIT
1:1
100%

Артикул

Название

Примечание

Количество

1

84598841

HYDRAULIC HOSE

From EDC to Exte. Cylinders

1шт.

2

82016498

HYD CONNECTOR,M22 x 1.5 DIN, 1" - 14 ORFS

ASSY, Incl 3 - 5

1шт.

3

83901443

O-RING,0.07" Thk x 0.614" ID, -16, Cl 6, 90 Duro

Incl in 2

1шт.

4

82016732

SEAL,19.6mm ID x 24.3mm OD x 1.5mm Thk

Incl in 2

1шт.

5

NSS

NOT SOLD SEPARAT

Fitting, Incl in 2

1шт.

6

47420906

PIPE

Return EDC

1шт.

7

14457180

O-RING,0.103" Thk x 0.549" ID, -113, Cl 5, 75 Duro

1шт.

8

44015841

BACK-UP RING,19mm ID x 20mm OD x 2.05mm Thk

1шт.

9

14305421

HEX SOC SCREW,M6 x 25mm, Cl 8.8

2шт.

10

86579694

ELBOW,90 Degree, 1"-14 ORFS x M22 x 1.5 ORB

ASSY, Incl 11 - 13

1шт.

11

9992069

O-RING,0.07" Thk x 0.614" ID, -16, Cl 6, 90 Duro

Incl in 10

1шт.

12

86598102

O-RING,2.2mm Thk x 19.3mm ID, Cl 6, 90 Duro

Incl in 10

1шт.

13

NSS

NOT SOLD SEPARAT

Fitting, Incl in 10

1шт.

14

47367793

HYD TUBE

Pilot Div. Remotes

1шт.

15

84490382

HYD CONNECTOR

1шт.

16

5183780

SEALING WASHER,9.73mm ID x 18mm OD x 1.5mm Thk

2шт.

17

47368419

CLAMP

2шт.

18

10902420

SCREW,Hex, M6 x 20mm, Cl 8.8, Full Thd

1шт.

19

15896214

NUT,M6, Cl 8

1шт.

20

14560187

COLLAR,199mm L

2шт.

21

10260060

SEALING WASHER,8.2mm ID x 14mm OD x 1mm Thk

3шт.

22

5179506

PROP,M8 x 1.25

1шт.

23

5175070

BANJO BOLT,M8 x 1.25 x 24mm

1шт.

24

84597897

PIPE,9.5mm ID x 725mm L, SAE 100R6

Drain

1шт.

25

13000290

HOSE CLAMP,12mm - 18mm, Worm Gear

2шт.

26

5157395

FITTING

1шт.

Выбрано товаров: 26