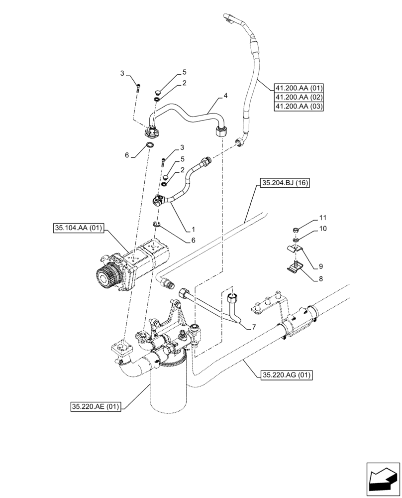
Запчасти Case IH FARMALL 115C (35.204.BJ[14]) - VAR - 332785, 390831, 743595, 743596 - STEERING LINE (35) - HYDRAULIC SYSTEMS

Схема запчастей Case IH FARMALL 115C - (35.204.BJ[14]) - VAR - 332785, 390831, 743595, 743596 - STEERING LINE (35) - HYDRAULIC SYSTEMS
41.200.aa (03)
35.220.ae (01)
41.200.aa (01)
11
5
2
3
6
6
2
8
9
35.220.ag (01)
35.104.aa (01)
3
5
10
41.200.aa (02)
7
1
4
35.204.bj (16)
FIT
1:1
100%

Артикул

Название

Примечание

Количество

1

47421387

TUBE

Delivery Steering

1шт.

2

5183780

SEALING WASHER,9.73mm ID x 18mm OD x 1.5mm Thk

2шт.

3

14305521

HEX SOC SCREW,M6 x 30mm, Cl 8.8, Full Thd

4шт.

4

84411903

HYDRAULIC HOSE

From Pump to Oil Filter

1шт.

5

10300511

PLUG,M12 x 1.5 x 12, Cl5.8

1шт.

6

87335172

SEALING RING,19mm ID x 26mm OD x 3mm Thk

2шт.

7

47393717

TUBE

1шт.

8

47506056

BRACKET

1шт.

9

47506042

BRACKET

1шт.

10

11197774

BELLEVILLE WASHER,M6 Bolt Size x 12mm OD x 1.2mm Thk

1шт.

11

15896211

NUT,M6, Cl 8

1шт.

Выбрано товаров: 11